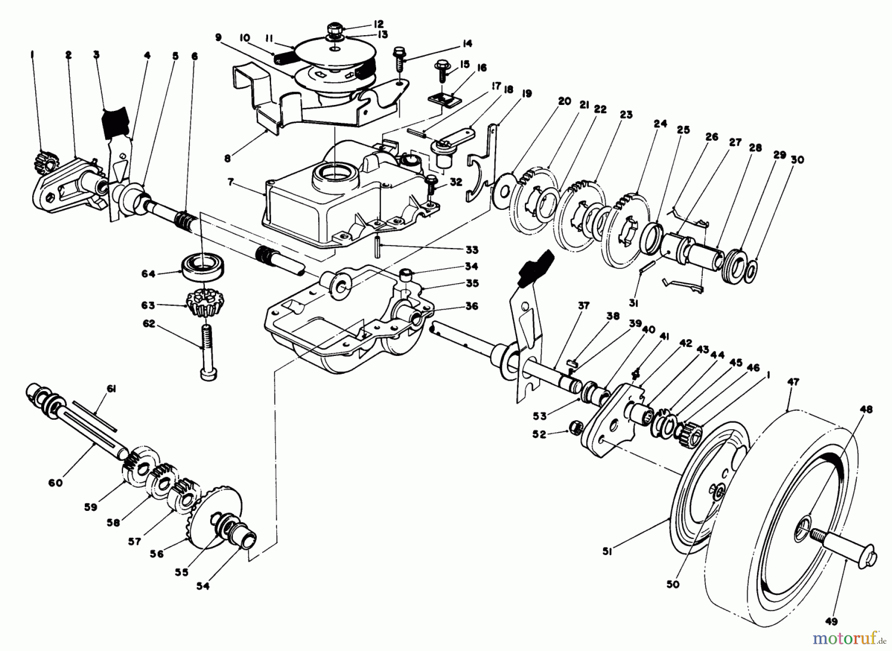
Toro 20684 - Lawnmower, 1985 (5000001-5999999) GEAR CASE ASSEMBLY Ersatzteile
GEAR CASE ASSEMBLY 20684 - Toro Lawnmower, 1985 (5000001-5999999)

Hier finden Sie die Ersatzteilzeichnung für Toro Neu Mowers, Walk-Behind Seite 1 20684 - Toro Lawnmower, 1985 (5000001-5999999) GEAR CASE ASSEMBLY. Wählen Sie das benötigte Ersatzteil aus der Ersatzteilliste Ihres Toro Gerätes aus und bestellen Sie einfach online. Viele Toro Ersatzteile halten wir ständig in unserem Lager für Sie bereit.


Qualitätsmanagement
Informieren Sie uns, wenn Sie einen Fehler gefunden haben.











