Toro 20632 - Lawnmower, 1989 (9000001-9999999) HOUSING ASSEMBLY (USED ON UNITS WITH SERIAL NO. 9003043 AND UP) Ersatzteile
HOUSING ASSEMBLY (USED ON UNITS WITH SERIAL NO. 9003043 AND UP) 20632 - Toro Lawnmower, 1989 (9000001-9999999)

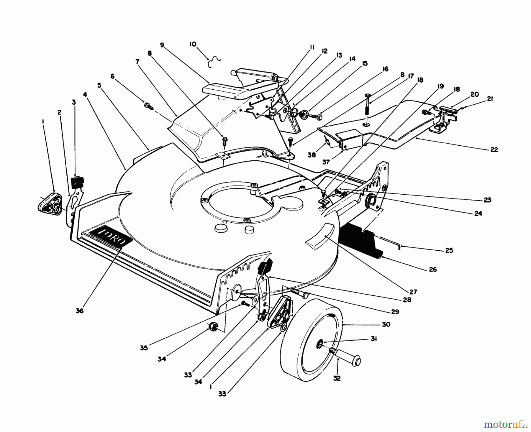
Hier finden Sie die Ersatzteilzeichnung für Toro Neu Mowers, Walk-Behind Seite 1 20632 - Toro Lawnmower, 1989 (9000001-9999999) HOUSING ASSEMBLY (USED ON UNITS WITH SERIAL NO. 9003043 AND UP). Wählen Sie das benötigte Ersatzteil aus der Ersatzteilliste Ihres Toro Gerätes aus und bestellen Sie einfach online. Viele Toro Ersatzteile halten wir ständig in unserem Lager für Sie bereit.


Qualitätsmanagement
Informieren Sie uns, wenn Sie einen Fehler gefunden haben.




