Toro 20611 - Lawnmower, 1989 (9000001-9999999) ENGINE MODEL NO. TVS100-44015B Ersatzteile
ENGINE MODEL NO. TVS100-44015B 20611 - Toro Lawnmower, 1989 (9000001-9999999)

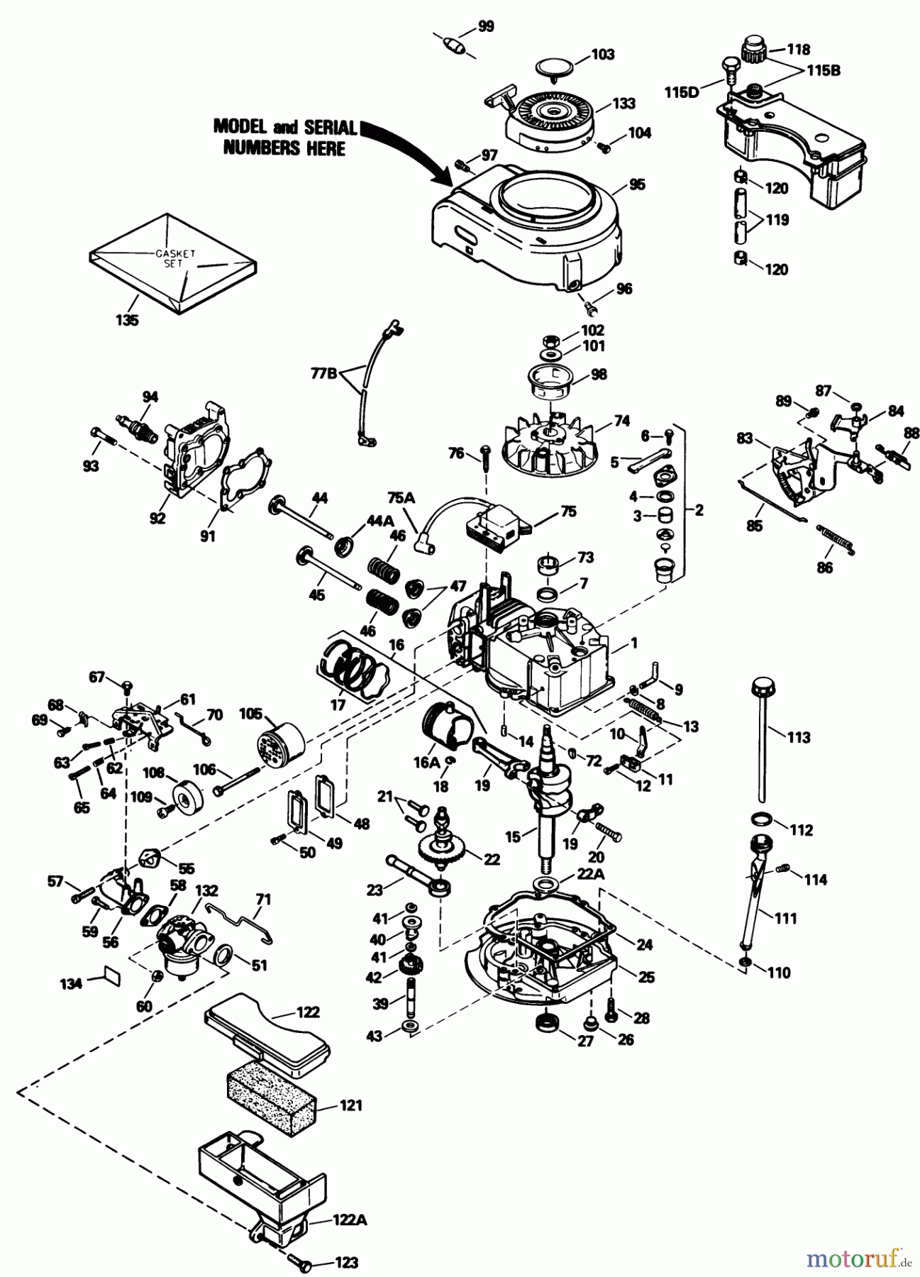
Hier finden Sie die Ersatzteilzeichnung für Toro Neu Mowers, Walk-Behind Seite 1 20611 - Toro Lawnmower, 1989 (9000001-9999999) ENGINE MODEL NO. TVS100-44015B. Wählen Sie das benötigte Ersatzteil aus der Ersatzteilliste Ihres Toro Gerätes aus und bestellen Sie einfach online. Viele Toro Ersatzteile halten wir ständig in unserem Lager für Sie bereit.


Qualitätsmanagement
Informieren Sie uns, wenn Sie einen Fehler gefunden haben.





