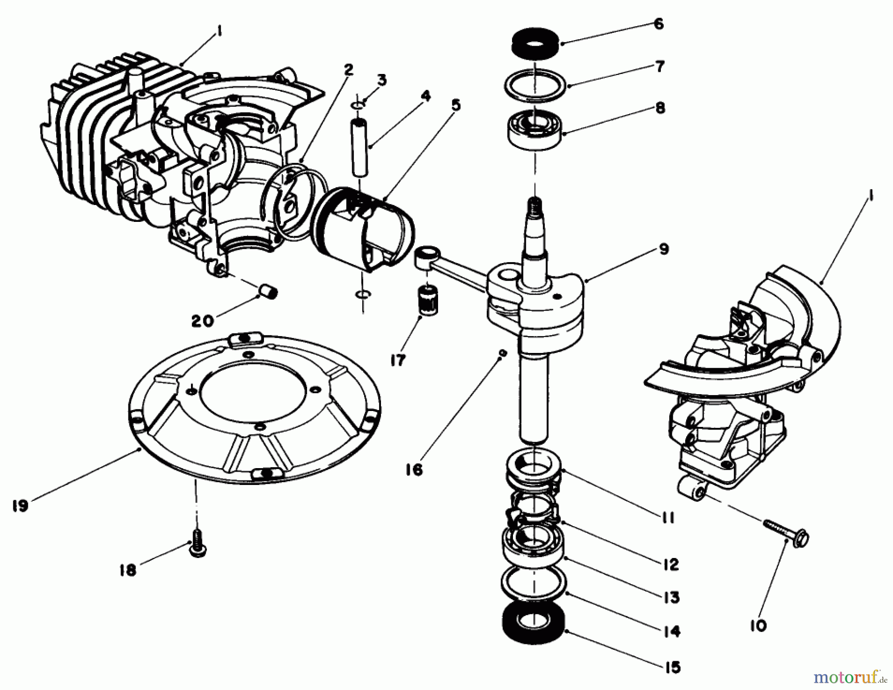
Toro 20581 - Lawnmower, 1986 (6000001-6999999) CRANKSHAFT ASSEMBLY Ersatzteile
CRANKSHAFT ASSEMBLY 20581 - Toro Lawnmower, 1986 (6000001-6999999)

Hier finden Sie die Ersatzteilzeichnung für Toro Neu Mowers, Walk-Behind Seite 1 20581 - Toro Lawnmower, 1986 (6000001-6999999) CRANKSHAFT ASSEMBLY. Wählen Sie das benötigte Ersatzteil aus der Ersatzteilliste Ihres Toro Gerätes aus und bestellen Sie einfach online. Viele Toro Ersatzteile halten wir ständig in unserem Lager für Sie bereit.



