Toro 20223 - Whirlwind Lawnmower, 1969 (9000001-9999999) ENGINE MODEL LAV35-40455H Ersatzteile
ENGINE MODEL LAV35-40455H 20223 - Toro Whirlwind Lawnmower, 1969 (9000001-9999999)

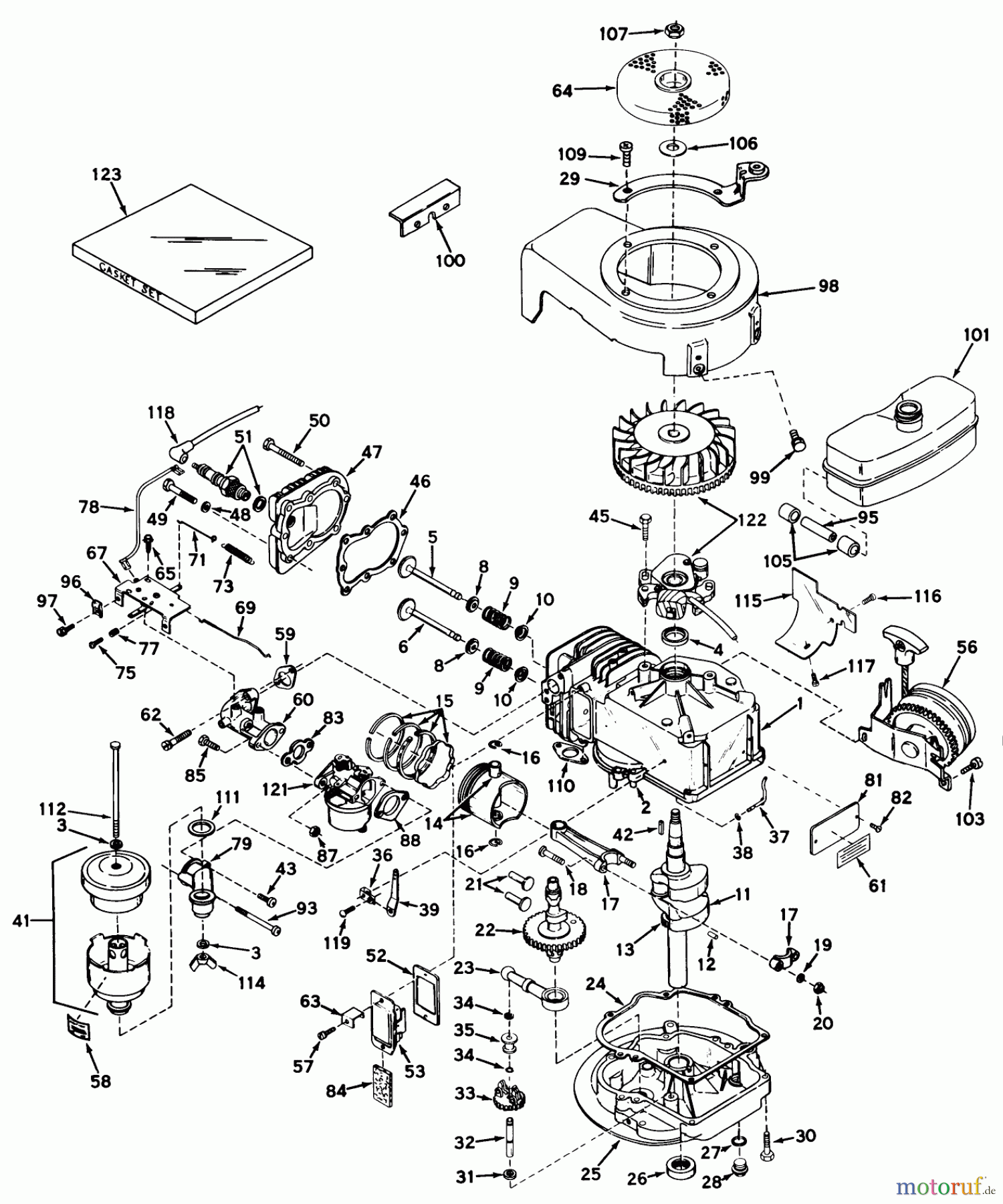
Hier finden Sie die Ersatzteilzeichnung für Toro Neu Mowers, Walk-Behind Seite 1 20223 - Toro Whirlwind Lawnmower, 1969 (9000001-9999999) ENGINE MODEL LAV35-40455H. Wählen Sie das benötigte Ersatzteil aus der Ersatzteilliste Ihres Toro Gerätes aus und bestellen Sie einfach online. Viele Toro Ersatzteile halten wir ständig in unserem Lager für Sie bereit.


Qualitätsmanagement
Informieren Sie uns, wenn Sie einen Fehler gefunden haben.



