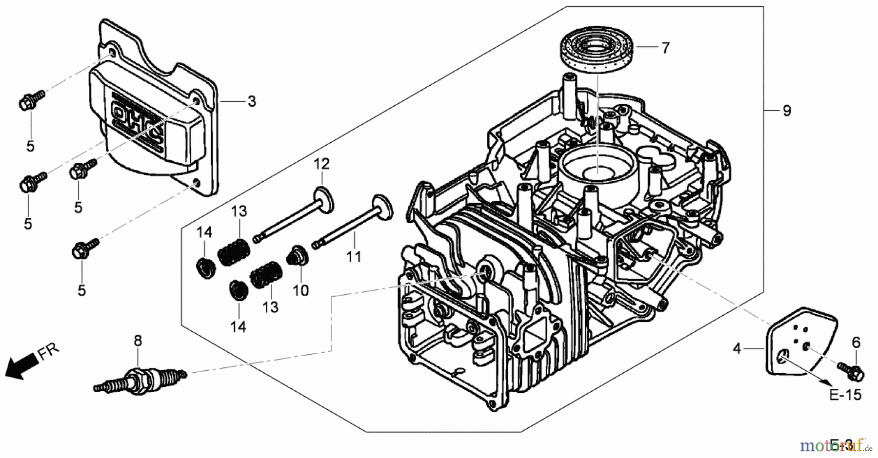
Toro 20194 - Super Bagger Lawn Mower, 2009 (290000001-290999999) CYLINDER ASSEMBLY HONDA GCV160A NBL1 Ersatzteile
CYLINDER ASSEMBLY HONDA GCV160A NBL1 20194 - Toro Super Bagger Lawn Mower, 2009 (290000001-290999999)

Hier finden Sie die Ersatzteilzeichnung für Toro Neu Mowers, Walk-Behind Seite 1 20194 - Toro Super Bagger Lawn Mower, 2009 (290000001-290999999) CYLINDER ASSEMBLY HONDA GCV160A NBL1. Wählen Sie das benötigte Ersatzteil aus der Ersatzteilliste Ihres Toro Gerätes aus und bestellen Sie einfach online. Viele Toro Ersatzteile halten wir ständig in unserem Lager für Sie bereit.


Qualitätsmanagement
Informieren Sie uns, wenn Sie einen Fehler gefunden haben.

