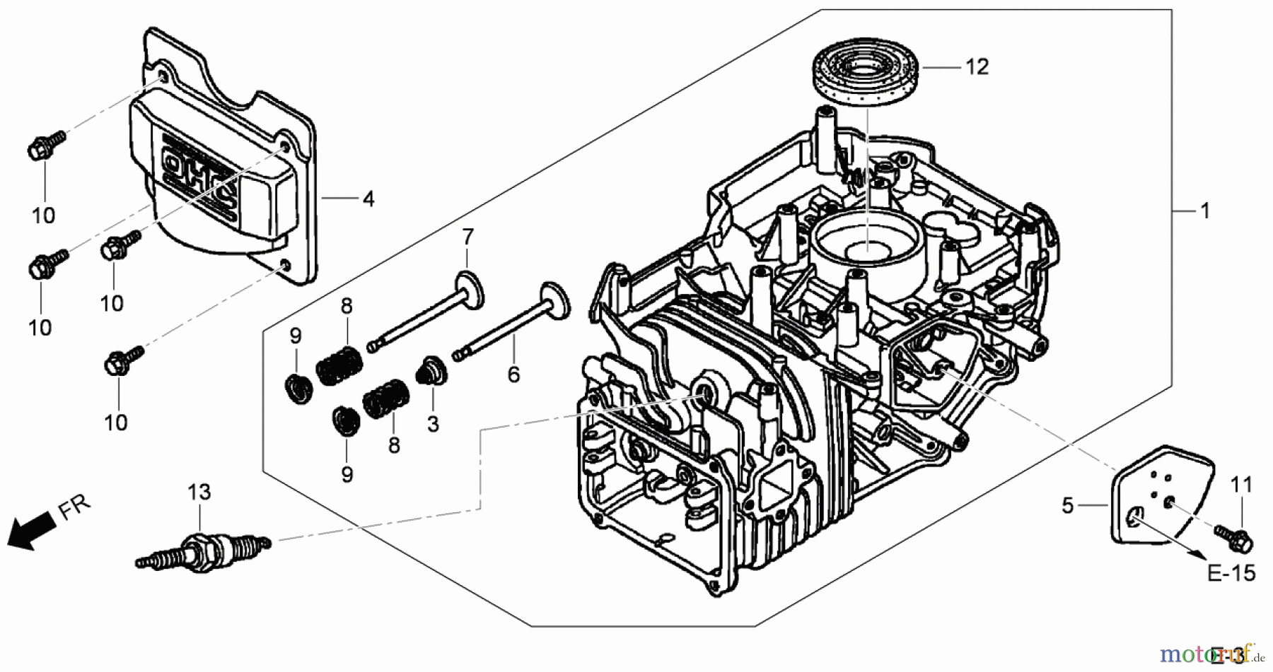
Toro 20192 - Super Bagger Lawn Mower, 2009 (290000001-290999999) CYLINDER BARREL ASSEMBLY HONDA GCV160L AS3A Ersatzteile
CYLINDER BARREL ASSEMBLY HONDA GCV160L AS3A 20192 - Toro Super Bagger Lawn Mower, 2009 (290000001-290999999)

Hier finden Sie die Ersatzteilzeichnung für Toro Neu Mowers, Walk-Behind Seite 1 20192 - Toro Super Bagger Lawn Mower, 2009 (290000001-290999999) CYLINDER BARREL ASSEMBLY HONDA GCV160L AS3A. Wählen Sie das benötigte Ersatzteil aus der Ersatzteilliste Ihres Toro Gerätes aus und bestellen Sie einfach online. Viele Toro Ersatzteile halten wir ständig in unserem Lager für Sie bereit.


Qualitätsmanagement
Informieren Sie uns, wenn Sie einen Fehler gefunden haben.

