Toro 20051 - 22" Recycler Lawnmower, 2004 (240000001-240999999) ELECTRIC STARTER KIT NO. 37753 TECUMSEH NO. LEV120-362004A Ersatzteile
ELECTRIC STARTER KIT NO. 37753 TECUMSEH NO. LEV120-362004A 20051 - Toro 22" Recycler Lawnmower, 2004 (240000001-240999999)

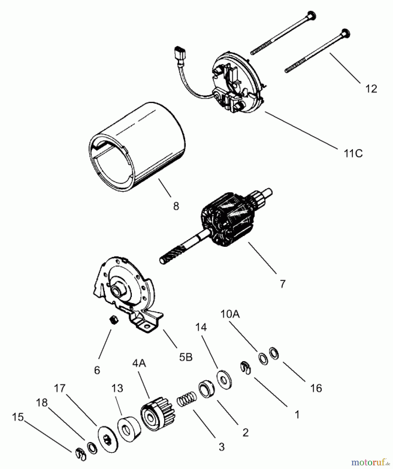
Hier finden Sie die Ersatzteilzeichnung für Toro Neu Mowers, Walk-Behind Seite 1 20051 - Toro 22" Recycler Lawnmower, 2004 (240000001-240999999) ELECTRIC STARTER KIT NO. 37753 TECUMSEH NO. LEV120-362004A. Wählen Sie das benötigte Ersatzteil aus der Ersatzteilliste Ihres Toro Gerätes aus und bestellen Sie einfach online. Viele Toro Ersatzteile halten wir ständig in unserem Lager für Sie bereit.
| BildNr | Artikel Nummer | Bezeichnung | |
| 1 | TC34955 | SICHERUNGSRING | |
| 2 | TC34950 | SICHERUNGSRING | |
| 3 | TC590654 | FEDER | |
| 4A | TC37788 | GEAR | |
| 5B | TC34943 | END CAP | |
| 6 | TC651016 | NUT | |
| 7 | TC34944 | ARMATUR | |
| 8 | TC34945 | GEHAUSE | |
| 10A | TC590500 | WASHER | |
| 11C | TC35714 | END CAP | |
| 12 | TC34947 | SCREW | |
| 13 | TC34946 | MITNEHMERKONUS | |
| 14 | TC34951 | WASHER | |
| 15 | TC34952 | SICHERUNGSRING | |
| 16 | TC34948 | SCHEIBE | |
| 17 | TC34953 | MUTTER | |
| 18 | TC590608 | SCHEIBE | |


Qualitätsmanagement
Informieren Sie uns, wenn Sie einen Fehler gefunden haben.

