Toro 16775 - Lawnmower, 1984 (4000001-4999999) ENGINE ASSEMBLY Ersatzteile
ENGINE ASSEMBLY 16775 - Toro Lawnmower, 1984 (4000001-4999999)

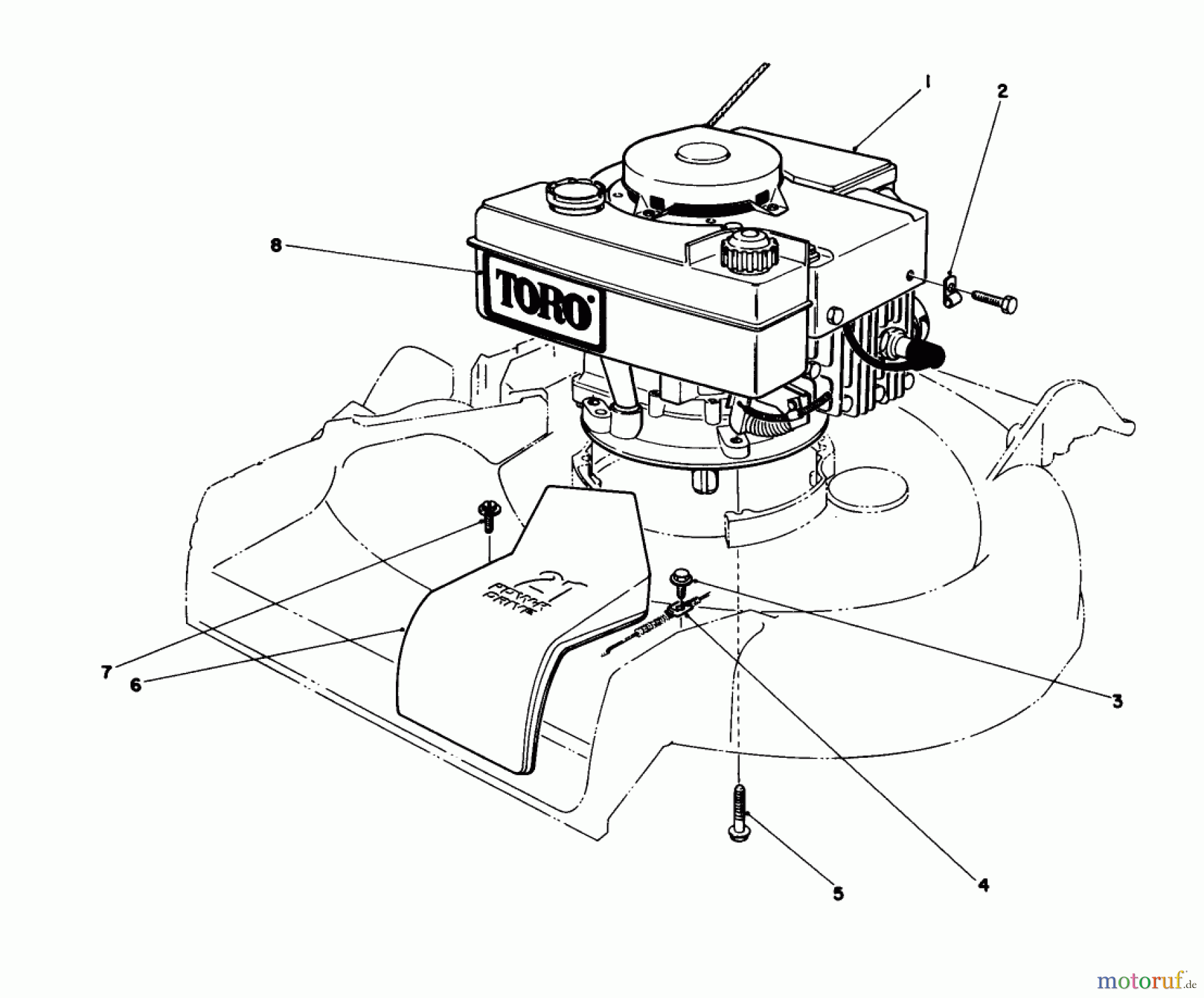
Hier finden Sie die Ersatzteilzeichnung für Toro Neu Mowers, Walk-Behind Seite 1 16775 - Toro Lawnmower, 1984 (4000001-4999999) ENGINE ASSEMBLY. Wählen Sie das benötigte Ersatzteil aus der Ersatzteilliste Ihres Toro Gerätes aus und bestellen Sie einfach online. Viele Toro Ersatzteile halten wir ständig in unserem Lager für Sie bereit.
| BildNr | Artikel Nummer | Bezeichnung | |
| 1 | TR221-764 | ||
| 2 | TR2412-63 | DISCONTINUED | |
| 3 | TR32144-11 | Schraube | |
| 4 | TR62-3720 | CLAMP-CABLE | |
| 5 | TR11-0580 | Schraube | |
| 6 | TR46-4780 | Riemenabdeckung | |
| 7 | TR12-5450 | Schraube | |
| 8 | TR70-2200 | DECAL | |


Qualitätsmanagement
Informieren Sie uns, wenn Sie einen Fehler gefunden haben.

