Einkaufswagen
Mein Konto

Toro 16255 - Whirlwind, 1973 (3000001-3999999) ENGINE BRIGGS & STRATTON-MODEL 92908-1224-03 Ersatzteile

ENGINE BRIGGS & STRATTON-MODEL 92908-1224-03 16255 - Toro Whirlwind, 1973 (3000001-3999999)

 Toro Neu Mowers, Walk-Behind Seite 1 16255 - Toro Whirlwind, 1973 (3000001-3999999) ENGINE BRIGGS & STRATTON-MODEL 92908-1224-03

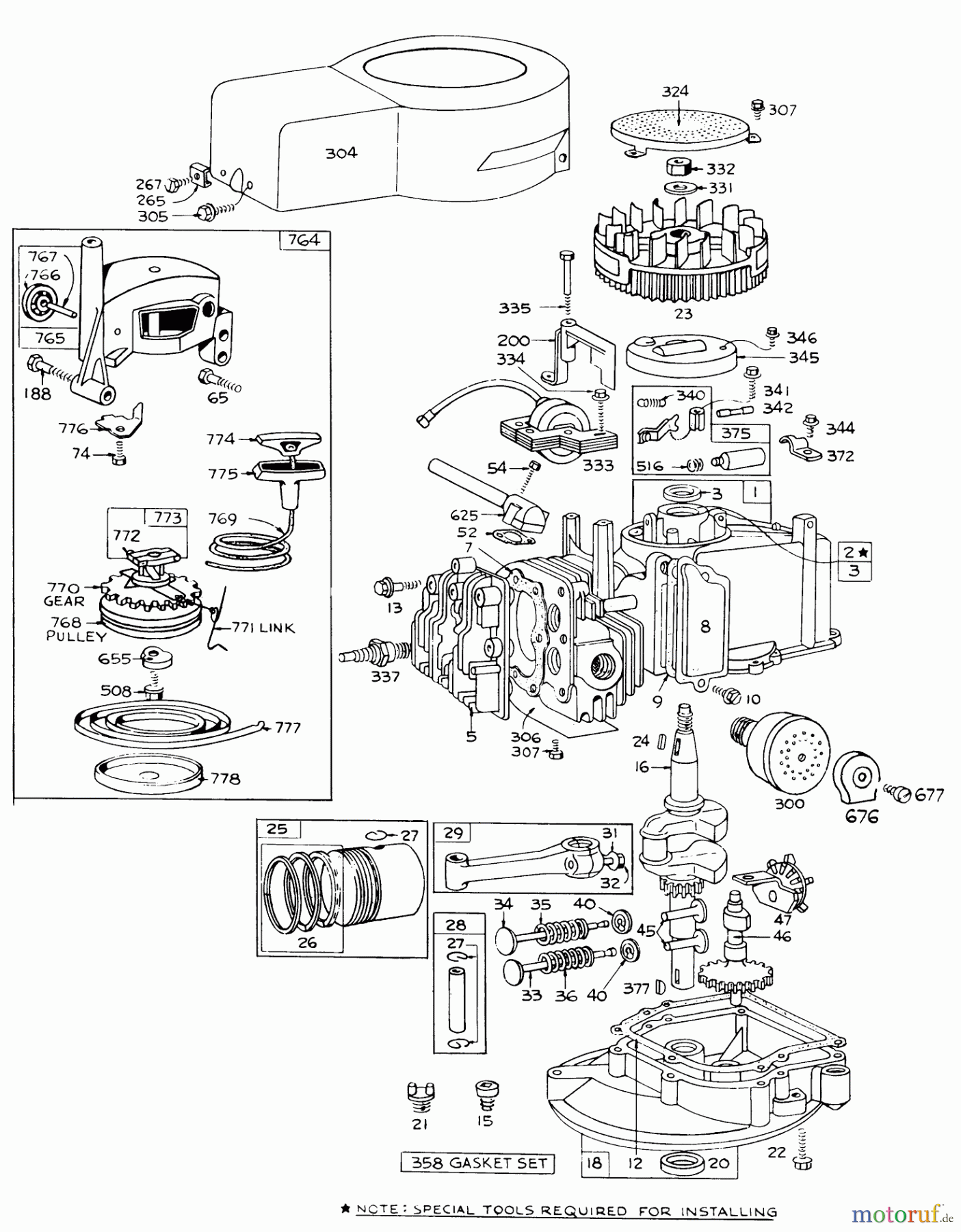
Hier finden Sie die Ersatzteilzeichnung für Toro Neu Mowers, Walk-Behind Seite 1 16255 - Toro Whirlwind, 1973 (3000001-3999999) ENGINE BRIGGS & STRATTON-MODEL 92908-1224-03. Wählen Sie das benötigte Ersatzteil aus der Ersatzteilliste Ihres Toro Gerätes aus und bestellen Sie einfach online. Viele Toro Ersatzteile halten wir ständig in unserem Lager für Sie bereit.

BildNrArtikel NummerBezeichnung
1 BS298988VERWEIS ZU
2 BS399269ZYLINDER-BUECHSE
3 BS89660
5 BS213942VERWEIS-NR. 690386
7 BS272170VERWEIS ZU
8 BS495785Entlüfterventil
9 BS272602VERWEIS ZU
10 BS94621
12 BS27586
BS27617
BS27618
13 BS94960
15 BS94613
16 BS261133KURBELWELLE
18 BS390810VERWEIS ZU
20 BS291841
21 BS281658VERWEIS ZU
22 BS94607
23 BS299982VERWEIS ZU
24 BS61760
25 BS793214KOLBEN KOMPLETT
BS298905KOLBEN 010
BS298906KOLBEN 020
BS298907KOLBEN 030
26 BS298982KOLBENRINGSATZ
BS298983KOLBENRINGSATZ 010
BS298984KOLBENRINGSATZ 020
BS298985KOLBENRINGSATZ 030
27 BS691588KOLBENBOLZENSICHERUNG
28 BS298909KOLBENBOLZEN 291925
BS298908KOLBENBOLZEN 291926
29 BS294367PLEUELSTANGE
31 BS220756PLEUELSICHERUNG
32 BS691664PLEUELSCHRAUBE
33 BS296676AUSLASSVENTIL
34 BS296677EINL.-VENTIL 230061
35 BS690520FEDER
36 BS692180FEDER
40 BS692194HALTER
45 BS691762VENTILSTOESSEL
46 BS394800VERWEIS-NR. 494713
47 BS491688VERWEIS ZU
52 BS270345SDICHTUNG
54 BS691111SCHRAUBE
65 BS691083SCHRAUBE
307 BS691660SCHRAUBE
188 BS691625VERWEIS ZU
200 BS68388REGLERFLUEGEL
265 BS692179KLEMME
300 BS391294
305 BS94729
306 BS690400LUFTLEITBLECH ZYLINDER
307 Toro SCHRAUBEBS93490SCHRAUBE
324 BS222063VERWEIS ZU
331 BS224061VERWEIS ZU
332 BS690662SECHSKANTMUTTER
333 BS697036Verweis zu Nr. BS496914
341 BS94731
335 BS691107SCHRAUBE
337 BS298809VERWEIS ZU
340 BS26018FEDER-HEBEL
341 BS93381
342 BS65704SKONTAKTSTIFT
344 BS691078SCHRAUBE
345 BS220366UNTERBRECHERDECKEL
346 BS93014
358 BS298989Verweis zu Nr. BS699933
372 BS220477KONDENSATORKLEMME
375 Toro UNTERBRECHER 292589BS294628UNTERBRECHER 292589
377 BS692193KEIL
508 BS94786
516 BS260374FEDER
625 Toro ANSAUGROHRBS693446ANSAUGROHR
655 BS222057ANKER
676 BS221794
677 BS93606SCHRAUBE 93378,93502
765 BS395914STARTER-GEHAEUSE
766 BS280022SCHEIBE
767 BS93586STIFT
769 BS66734STARTERSEIL
771 BS299961KLEMME
772 BS93598SCHRAUBE
773 BS390112HALTER
775 BS491288VERWEIS ZU
776 BS222049SEILFUEHRUNG
777 BS390066STARTERFEDER 299483
778 BS280021DECKEL
Rasen
Bankeinzug, MasterCard, Visa, American Express, PayPal, Nachnahme, Vorauskasse, Sofortüberweisung