Toro 03108 - 58" Professional, 1982 (2000001-2999999) ENGINE BRIGGS & STRATTON MODEL NO. 130232-1123-01 #1 Ersatzteile
ENGINE BRIGGS & STRATTON MODEL NO. 130232-1123-01 #1 03108 - Toro 58" Professional, 1982 (2000001-2999999)

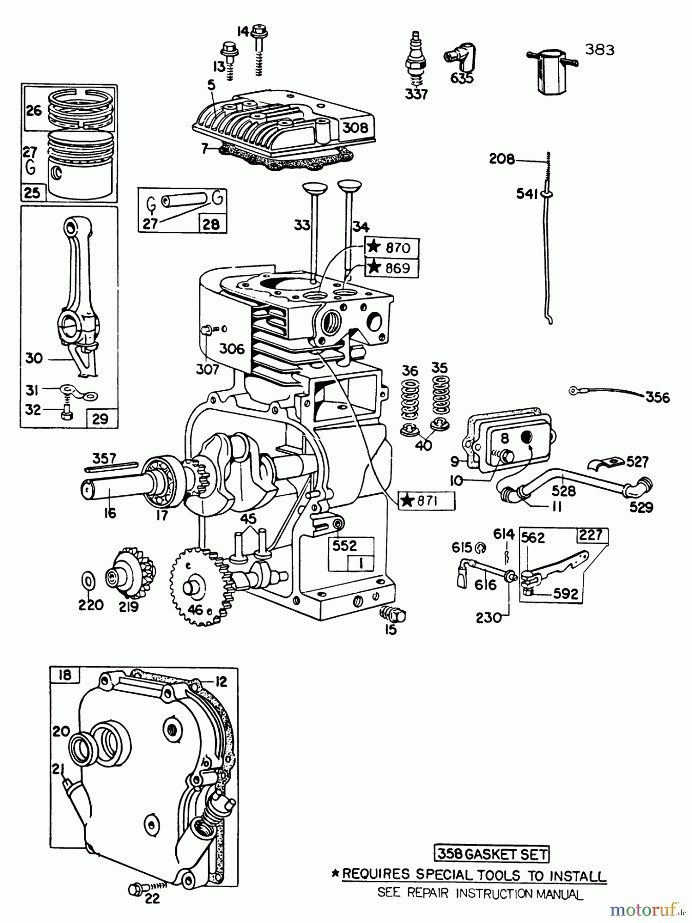
Hier finden Sie die Ersatzteilzeichnung für Toro Neu Mowers, Riding 03108 - Toro 58" Professional, 1982 (2000001-2999999) ENGINE BRIGGS & STRATTON MODEL NO. 130232-1123-01 #1. Wählen Sie das benötigte Ersatzteil aus der Ersatzteilliste Ihres Toro Gerätes aus und bestellen Sie einfach online. Viele Toro Ersatzteile halten wir ständig in unserem Lager für Sie bereit.





