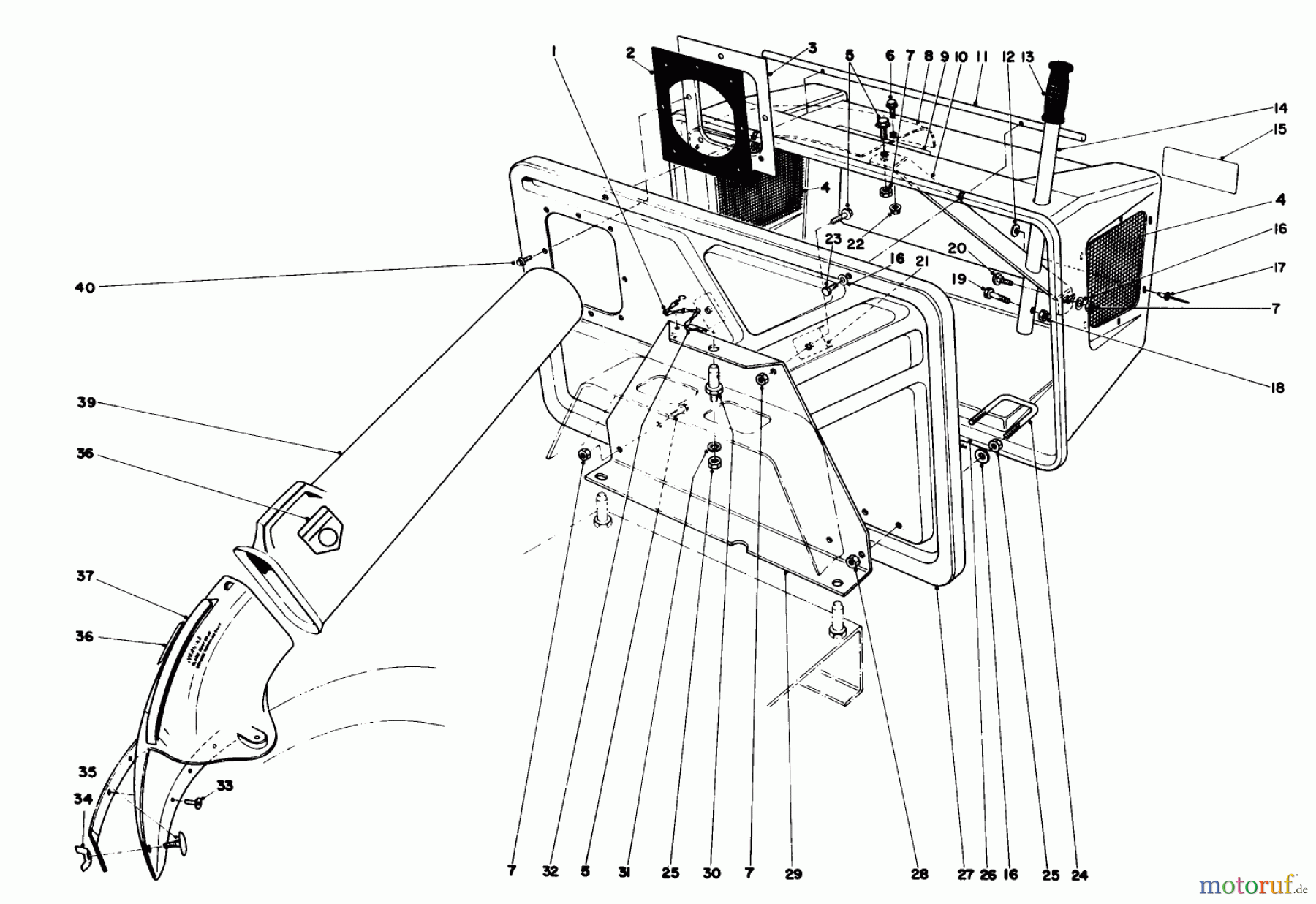
Toro 56125 (7-25) - 7-25 Rear Engine Rider, 1986 (6000001-6999999) EASY-EMPTY GRASS CATCHER MODEL NO. 59046 (OPTIONAL) Ersatzteile
EASY-EMPTY GRASS CATCHER MODEL NO. 59046 (OPTIONAL) 56125 (7-25) - Toro 7-25 Rear Engine Rider, 1986 (6000001-6999999)

Hier finden Sie die Ersatzteilzeichnung für Toro Neu Mowers, Rear-Engine Rider 56125 (7-25) - Toro 7-25 Rear Engine Rider, 1986 (6000001-6999999) EASY-EMPTY GRASS CATCHER MODEL NO. 59046 (OPTIONAL). Wählen Sie das benötigte Ersatzteil aus der Ersatzteilliste Ihres Toro Gerätes aus und bestellen Sie einfach online. Viele Toro Ersatzteile halten wir ständig in unserem Lager für Sie bereit.






