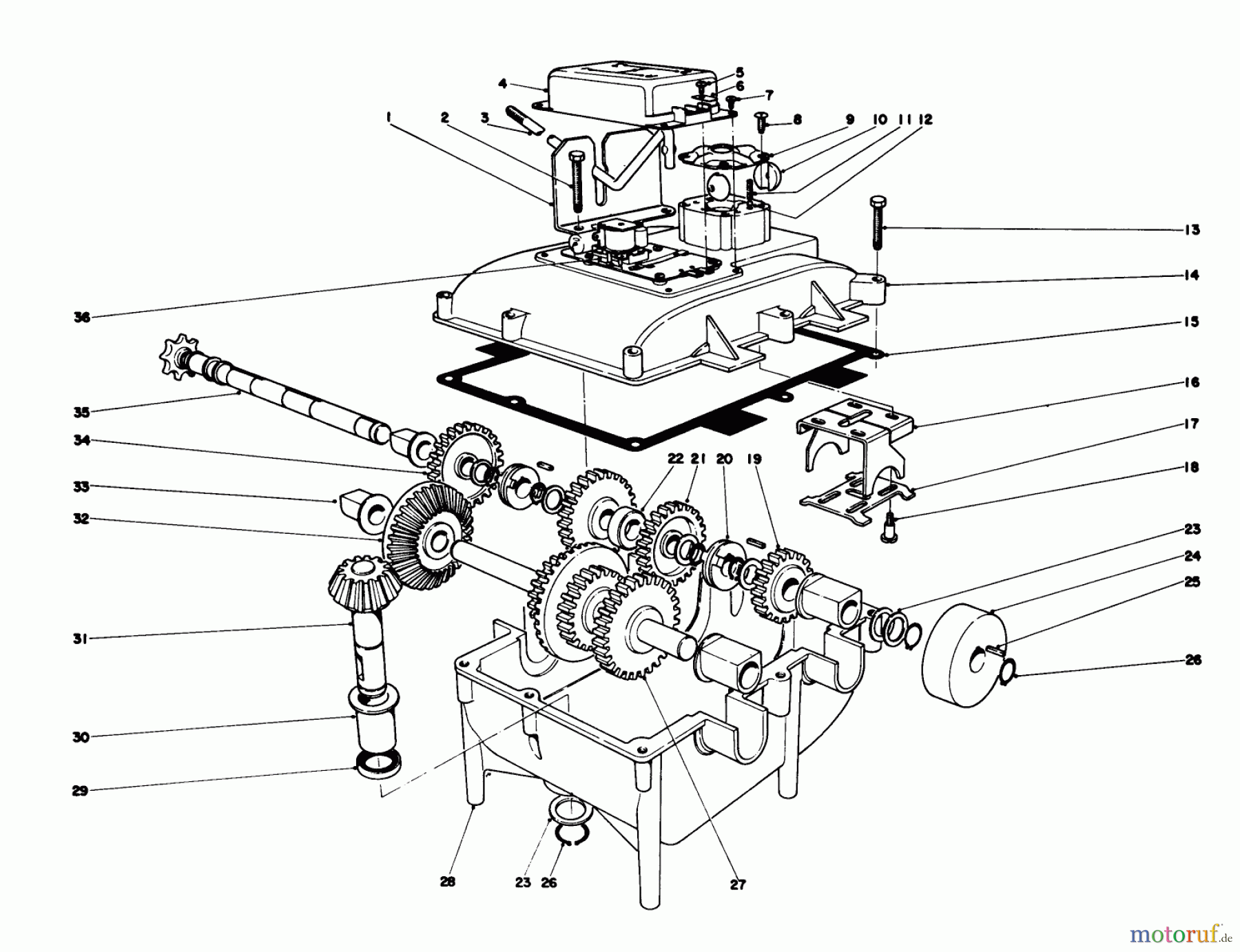
Toro 56108 - 32" Sportsman Recoil, 1973 (3000001-3999999) TRANSMISSION ASSEMBLY Ersatzteile
TRANSMISSION ASSEMBLY 56108 - Toro 32" Sportsman Recoil, 1973 (3000001-3999999)

Hier finden Sie die Ersatzteilzeichnung für Toro Neu Mowers, Rear-Engine Rider 56108 - Toro 32" Sportsman Recoil, 1973 (3000001-3999999) TRANSMISSION ASSEMBLY. Wählen Sie das benötigte Ersatzteil aus der Ersatzteilliste Ihres Toro Gerätes aus und bestellen Sie einfach online. Viele Toro Ersatzteile halten wir ständig in unserem Lager für Sie bereit.


Qualitätsmanagement
Informieren Sie uns, wenn Sie einen Fehler gefunden haben.

