Toro 72081 (246-H) - 246-H Yard Tractor, 1993 (3900001-3999999) ENGINE TORO POWER PLUS #1 Ersatzteile
ENGINE TORO POWER PLUS #1 72081 (246-H) - Toro 246-H Yard Tractor, 1993 (3900001-3999999)

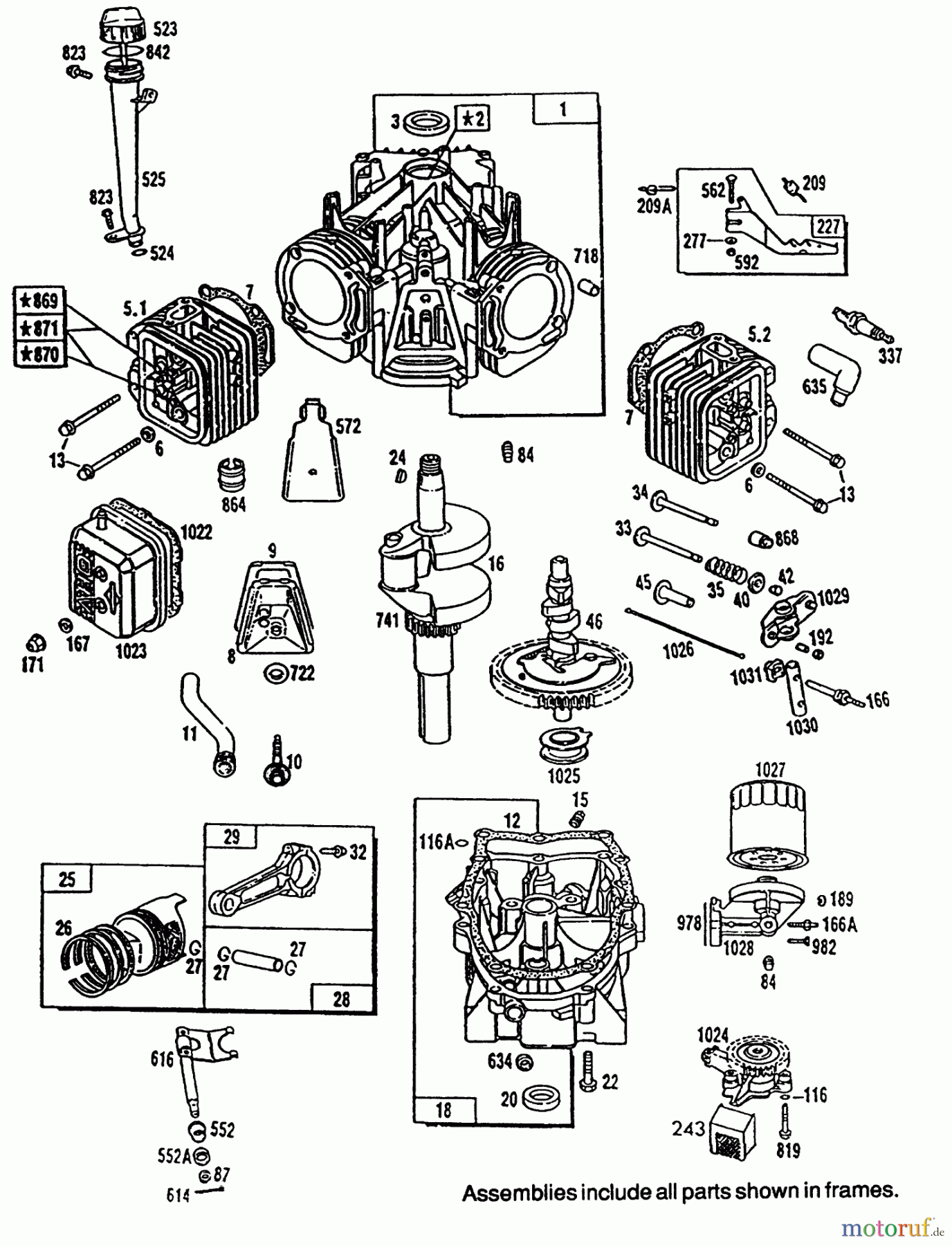
Hier finden Sie die Ersatzteilzeichnung für Toro Neu Mowers, Lawn & Garden Tractor Seite 1 72081 (246-H) - Toro 246-H Yard Tractor, 1993 (3900001-3999999) ENGINE TORO POWER PLUS #1. Wählen Sie das benötigte Ersatzteil aus der Ersatzteilliste Ihres Toro Gerätes aus und bestellen Sie einfach online. Viele Toro Ersatzteile halten wir ständig in unserem Lager für Sie bereit.


Qualitätsmanagement
Informieren Sie uns, wenn Sie einen Fehler gefunden haben.

