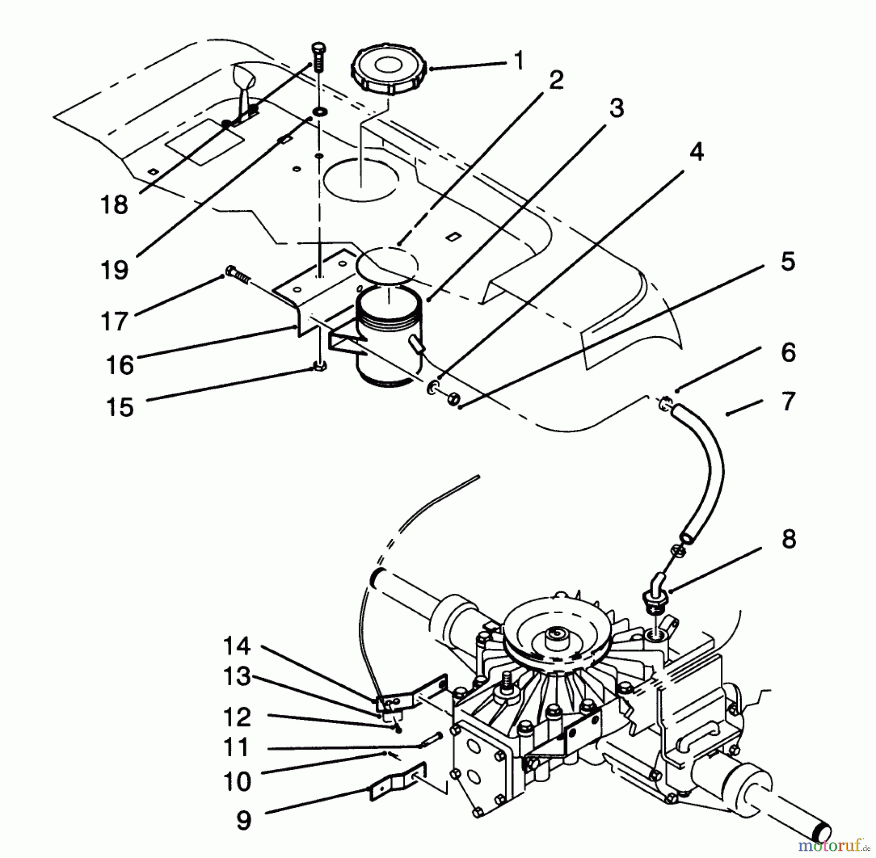
Toro 72041 (244-H) - 244-H Yard Tractor, 1993 (3900001-3999999) HYDRAULIC RESERVOIR ASSEMBLY Ersatzteile
HYDRAULIC RESERVOIR ASSEMBLY 72041 (244-H) - Toro 244-H Yard Tractor, 1993 (3900001-3999999)

Hier finden Sie die Ersatzteilzeichnung für Toro Neu Mowers, Lawn & Garden Tractor Seite 1 72041 (244-H) - Toro 244-H Yard Tractor, 1993 (3900001-3999999) HYDRAULIC RESERVOIR ASSEMBLY. Wählen Sie das benötigte Ersatzteil aus der Ersatzteilliste Ihres Toro Gerätes aus und bestellen Sie einfach online. Viele Toro Ersatzteile halten wir ständig in unserem Lager für Sie bereit.





