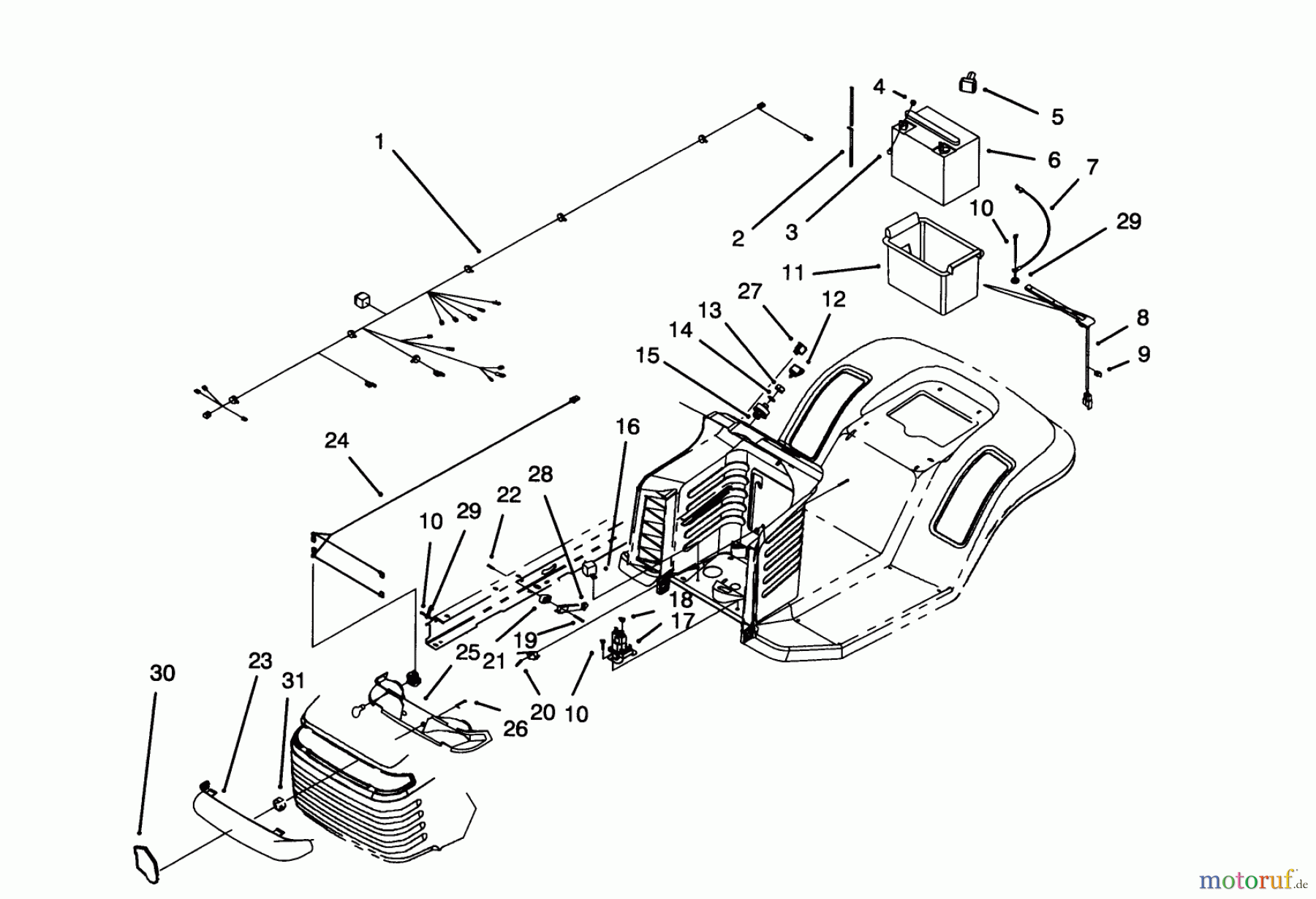
Toro 71203 (12-38HXL) - 12-38HXL Lawn Tractor, 1993 (3900001-3999999) ELECTRICAL ASSEMBLY Ersatzteile
ELECTRICAL ASSEMBLY 71203 (12-38HXL) - Toro 12-38HXL Lawn Tractor, 1993 (3900001-3999999)

Hier finden Sie die Ersatzteilzeichnung für Toro Neu Mowers, Lawn & Garden Tractor Seite 1 71203 (12-38HXL) - Toro 12-38HXL Lawn Tractor, 1993 (3900001-3999999) ELECTRICAL ASSEMBLY. Wählen Sie das benötigte Ersatzteil aus der Ersatzteilliste Ihres Toro Gerätes aus und bestellen Sie einfach online. Viele Toro Ersatzteile halten wir ständig in unserem Lager für Sie bereit.






