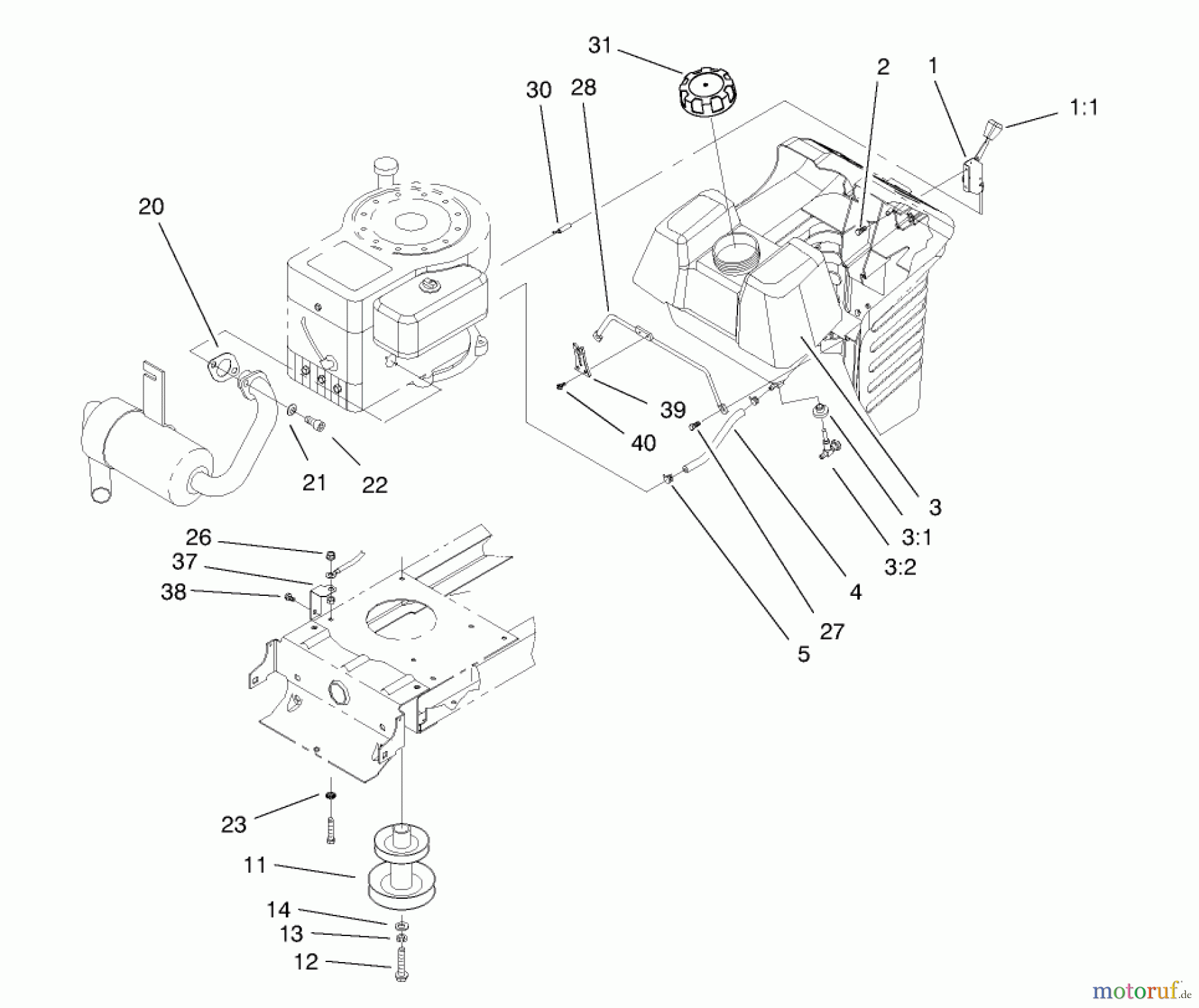
Toro 71189 (12-32XL) - 12-32XL Lawn Tractor, 1997 (7900001-7999999) GAS TANK & ENGINE PULLEY ASSEMBLY Ersatzteile
GAS TANK & ENGINE PULLEY ASSEMBLY 71189 (12-32XL) - Toro 12-32XL Lawn Tractor, 1997 (7900001-7999999)

Hier finden Sie die Ersatzteilzeichnung für Toro Neu Mowers, Lawn & Garden Tractor Seite 1 71189 (12-32XL) - Toro 12-32XL Lawn Tractor, 1997 (7900001-7999999) GAS TANK & ENGINE PULLEY ASSEMBLY. Wählen Sie das benötigte Ersatzteil aus der Ersatzteilliste Ihres Toro Gerätes aus und bestellen Sie einfach online. Viele Toro Ersatzteile halten wir ständig in unserem Lager für Sie bereit.




