Einstellungen Computer

Toro 57450 (12-32) - 12-32 Lawn Tractor, 1991 (1000001-1999999) CLUTCH & PULLEY ASSEMBLY Ersatzteile

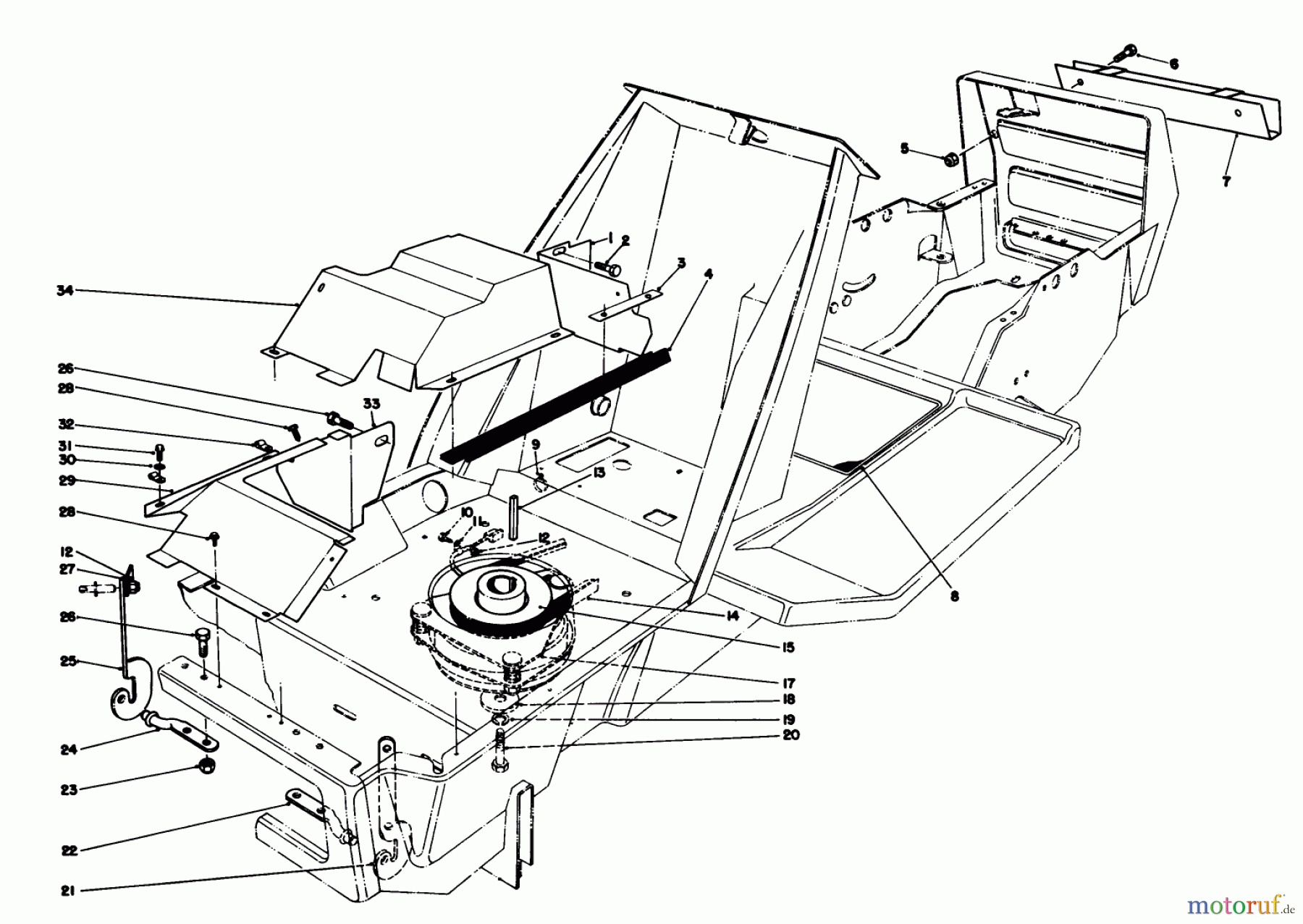
CLUTCH & PULLEY ASSEMBLY 57450 (12-32) - Toro 12-32 Lawn Tractor, 1991 (1000001-1999999)

 Toro Neu Mowers, Lawn & Garden Tractor Seite 1 57450 (12-32) - Toro 12-32 Lawn Tractor, 1991 (1000001-1999999) CLUTCH & PULLEY ASSEMBLY

Hier finden Sie die Ersatzteilzeichnung für Toro Neu Mowers, Lawn & Garden Tractor Seite 1 57450 (12-32) - Toro 12-32 Lawn Tractor, 1991 (1000001-1999999) CLUTCH & PULLEY ASSEMBLY. Wählen Sie das benötigte Ersatzteil aus der Ersatzteilliste Ihres Toro Gerätes aus und bestellen Sie einfach online. Viele Toro Ersatzteile halten wir ständig in unserem Lager für Sie bereit.

Rasen
Bankeinzug, MasterCard, Visa, American Express, PayPal, Nachnahme, Vorauskasse, Sofortüberweisung
Datenschutzerklärung Impressum
Qualitätsmanagement
Informieren Sie uns, wenn Sie einen Fehler gefunden haben.