Toro 57357 (11-44) - 11-44 Lawn Tractor, 1983 (3000001-3999999) ENGINE BRIGGS & STRATTON MODEL 252707-0637-01 Ersatzteile
ENGINE BRIGGS & STRATTON MODEL 252707-0637-01 57357 (11-44) - Toro 11-44 Lawn Tractor, 1983 (3000001-3999999)

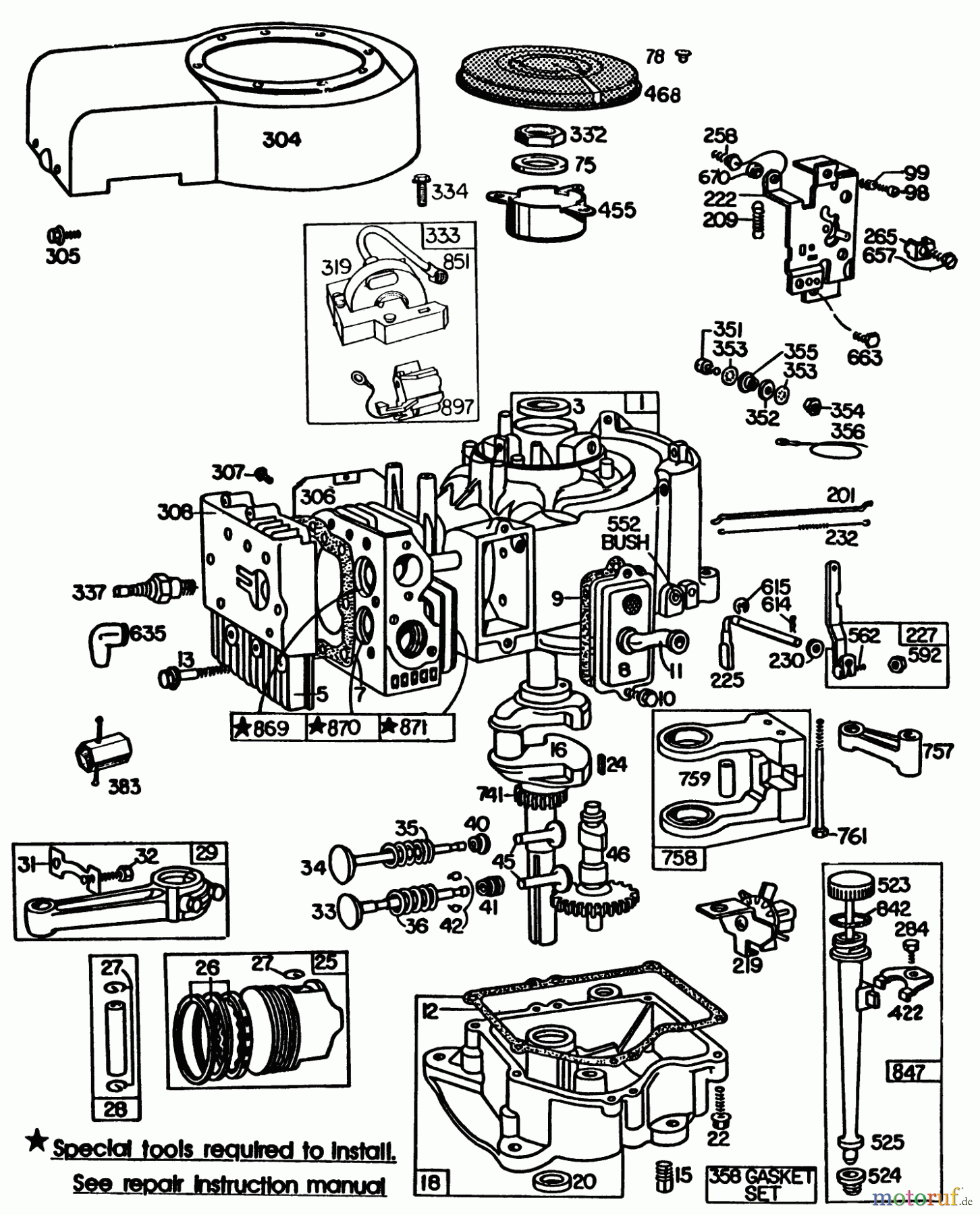
Hier finden Sie die Ersatzteilzeichnung für Toro Neu Mowers, Lawn & Garden Tractor Seite 1 57357 (11-44) - Toro 11-44 Lawn Tractor, 1983 (3000001-3999999) ENGINE BRIGGS & STRATTON MODEL 252707-0637-01. Wählen Sie das benötigte Ersatzteil aus der Ersatzteilliste Ihres Toro Gerätes aus und bestellen Sie einfach online. Viele Toro Ersatzteile halten wir ständig in unserem Lager für Sie bereit.


Qualitätsmanagement
Informieren Sie uns, wenn Sie einen Fehler gefunden haben.





