Einstellungen Computer

Toro 57305 - 32" Lawn Tractor, 1978 (8000001-8999999) FRONT AXLE ASSEMBLY Ersatzteile

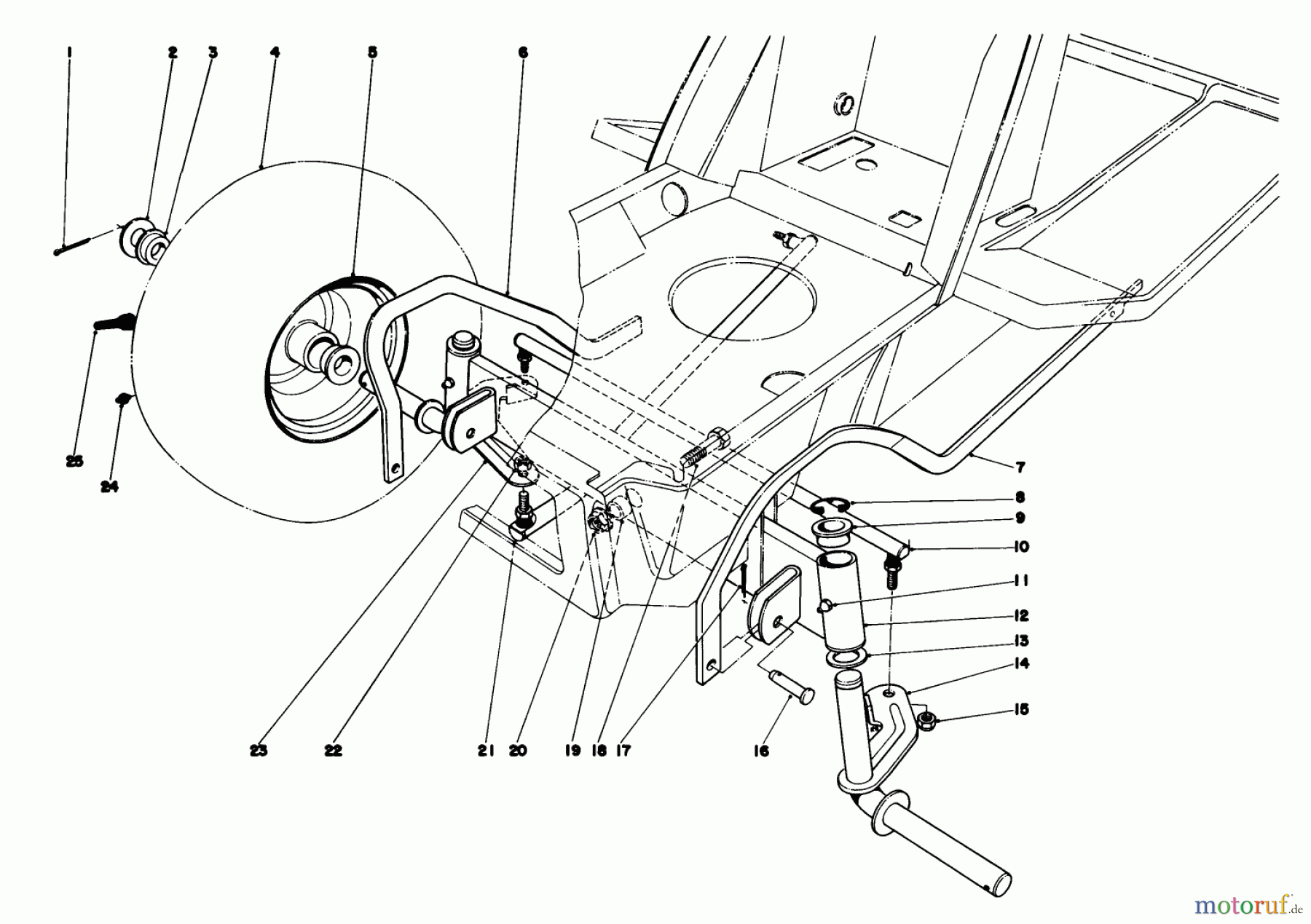
FRONT AXLE ASSEMBLY 57305 - Toro 32" Lawn Tractor, 1978 (8000001-8999999)

 Toro Neu Mowers, Lawn & Garden Tractor Seite 1 57305 - Toro 32

Hier finden Sie die Ersatzteilzeichnung für Toro Neu Mowers, Lawn & Garden Tractor Seite 1 57305 - Toro 32" Lawn Tractor, 1978 (8000001-8999999) FRONT AXLE ASSEMBLY. Wählen Sie das benötigte Ersatzteil aus der Ersatzteilliste Ihres Toro Gerätes aus und bestellen Sie einfach online. Viele Toro Ersatzteile halten wir ständig in unserem Lager für Sie bereit.

Rasen
Bankeinzug, MasterCard, Visa, American Express, PayPal, Nachnahme, Vorauskasse, Sofortüberweisung
Datenschutzerklärung Impressum