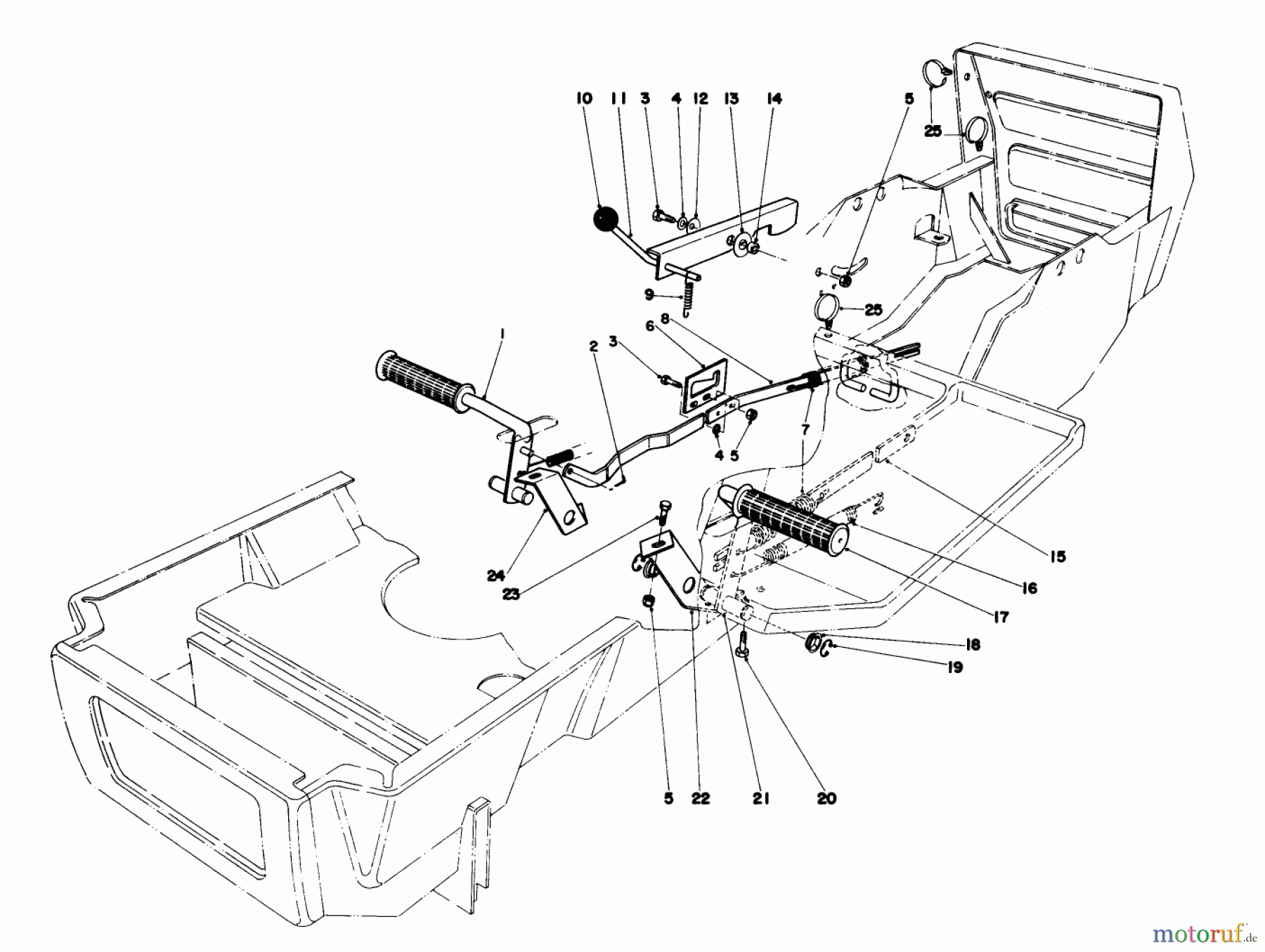
Toro 57305 - 32" Lawn Tractor, 1978 (8000001-8999999) BRAKE & CLUTCH PEDAL ASSEMBLY Ersatzteile
BRAKE & CLUTCH PEDAL ASSEMBLY 57305 - Toro 32" Lawn Tractor, 1978 (8000001-8999999)

Hier finden Sie die Ersatzteilzeichnung für Toro Neu Mowers, Lawn & Garden Tractor Seite 1 57305 - Toro 32" Lawn Tractor, 1978 (8000001-8999999) BRAKE & CLUTCH PEDAL ASSEMBLY. Wählen Sie das benötigte Ersatzteil aus der Ersatzteilliste Ihres Toro Gerätes aus und bestellen Sie einfach online. Viele Toro Ersatzteile halten wir ständig in unserem Lager für Sie bereit.



