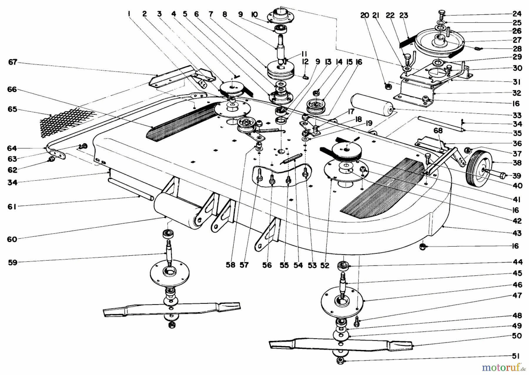
Toro 55402 (960) - 960 Suburban Lawn Tractor, 1969 (9000001-9999999) 42" MOWER DECK ASSEMBLY (CONT-D) Ersatzteile
42" MOWER DECK ASSEMBLY (CONT-D) 55402 (960) - Toro 960 Suburban Lawn Tractor, 1969 (9000001-9999999)

Hier finden Sie die Ersatzteilzeichnung für Toro Neu Mowers, Lawn & Garden Tractor Seite 1 55402 (960) - Toro 960 Suburban Lawn Tractor, 1969 (9000001-9999999) 42" MOWER DECK ASSEMBLY (CONT-D). Wählen Sie das benötigte Ersatzteil aus der Ersatzteilliste Ihres Toro Gerätes aus und bestellen Sie einfach online. Viele Toro Ersatzteile halten wir ständig in unserem Lager für Sie bereit.



