Toro 33R (33R) - 33R Lawn Ranger, 1963 PARTS LIST FOR LAWN RANGER ROTARY MOWER Ersatzteile
PARTS LIST FOR LAWN RANGER ROTARY MOWER 33R (33R) - Toro 33R Lawn Ranger, 1963

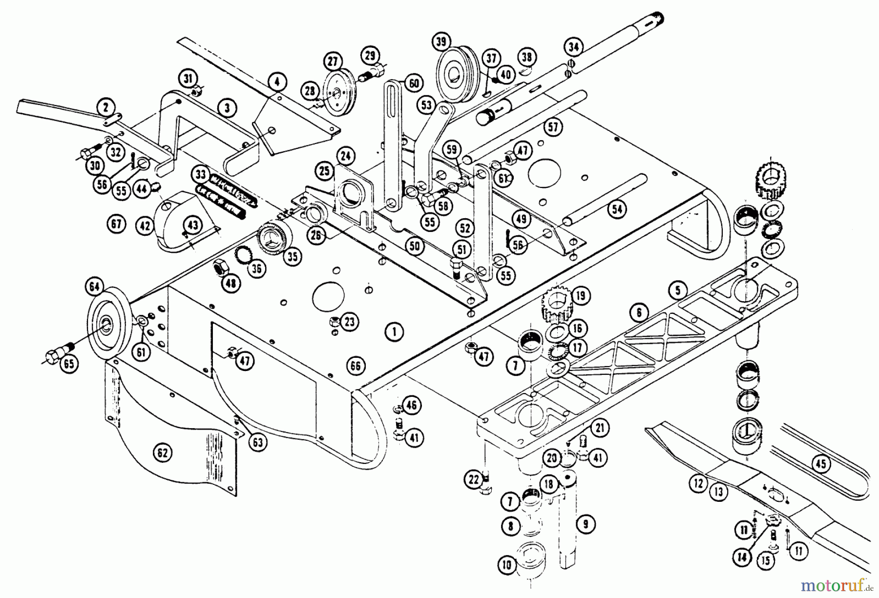
Hier finden Sie die Ersatzteilzeichnung für Toro Neu Mowers, Lawn & Garden Tractor Seite 1 33R (33R) - Toro 33R Lawn Ranger, 1963 PARTS LIST FOR LAWN RANGER ROTARY MOWER. Wählen Sie das benötigte Ersatzteil aus der Ersatzteilliste Ihres Toro Gerätes aus und bestellen Sie einfach online. Viele Toro Ersatzteile halten wir ständig in unserem Lager für Sie bereit.


Qualitätsmanagement
Informieren Sie uns, wenn Sie einen Fehler gefunden haben.


