Toro 30610 (120) - Proline 120, 1993 (390001-399999) CRANKCASE Ersatzteile
CRANKCASE 30610 (120) - Toro Proline 120, 1993 (390001-399999)

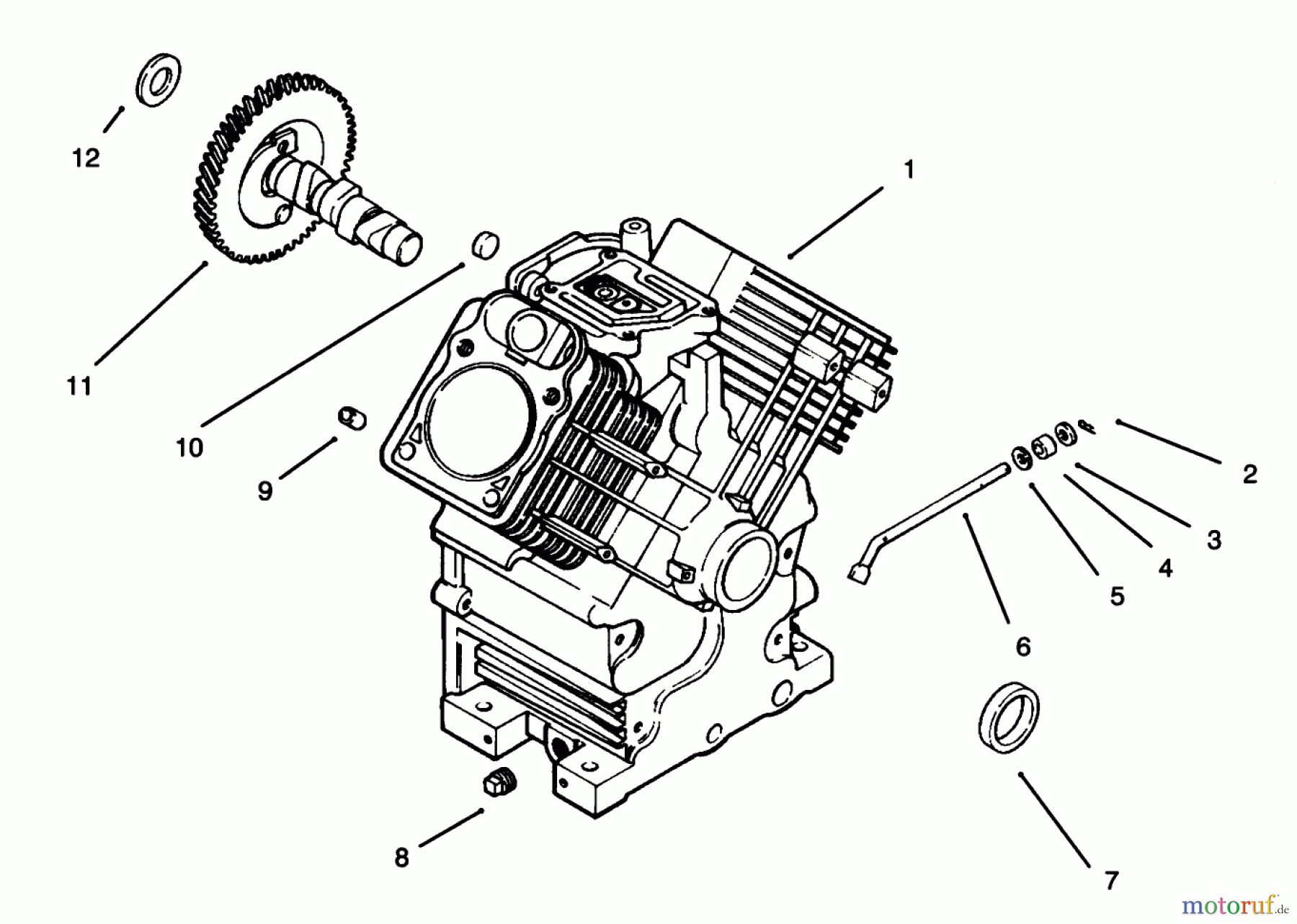
Hier finden Sie die Ersatzteilzeichnung für Toro Neu Mowers, Lawn & Garden Tractor Seite 1 30610 (120) - Toro Proline 120, 1993 (390001-399999) CRANKCASE. Wählen Sie das benötigte Ersatzteil aus der Ersatzteilliste Ihres Toro Gerätes aus und bestellen Sie einfach online. Viele Toro Ersatzteile halten wir ständig in unserem Lager für Sie bereit.
| BildNr | Artikel Nummer | Bezeichnung | |
| 3 | KHX-25-102-S | WASHER, FLAT 1/4" | |
| 5 | KHX-25-63-S | WASHER, FLAT 1/4" (O.D. 1/2") | |
| 8 | KHX-75-10-S | USE 25 139 57-S | |


Qualitätsmanagement
Informieren Sie uns, wenn Sie einen Fehler gefunden haben.

