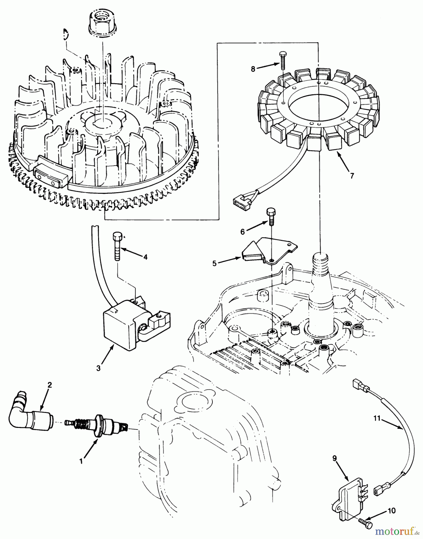
Toro 22-14OE02 (244-H) - 244-H Yard Tractor, 1992 (2000001-2999999) 14HP ENGINE IGNITION ASSEMBLY Ersatzteile
14HP ENGINE IGNITION ASSEMBLY 22-14OE02 (244-H) - Toro 244-H Yard Tractor, 1992 (2000001-2999999)

Hier finden Sie die Ersatzteilzeichnung für Toro Neu Mowers, Lawn & Garden Tractor Seite 1 22-14OE02 (244-H) - Toro 244-H Yard Tractor, 1992 (2000001-2999999) 14HP ENGINE IGNITION ASSEMBLY. Wählen Sie das benötigte Ersatzteil aus der Ersatzteilliste Ihres Toro Gerätes aus und bestellen Sie einfach online. Viele Toro Ersatzteile halten wir ständig in unserem Lager für Sie bereit.


Qualitätsmanagement
Informieren Sie uns, wenn Sie einen Fehler gefunden haben.

