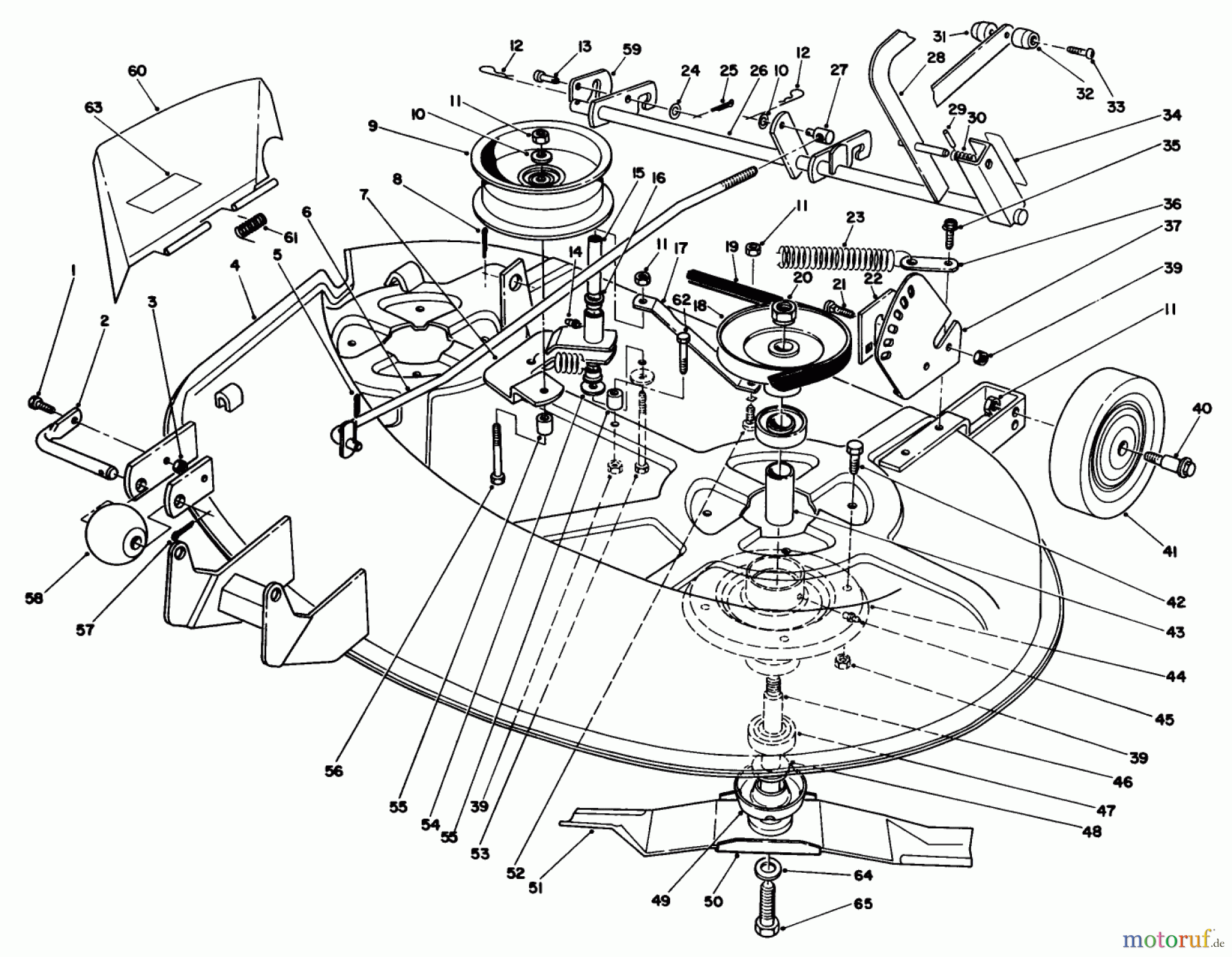
Toro R5-38SL02 - 38" Recycler Mower, 1992 (2000001-2999999) SPINDLE & HEIGHT OF CUT ASSEMBLY Ersatzteile
SPINDLE & HEIGHT OF CUT ASSEMBLY R5-38SL02 - Toro 38" Recycler Mower, 1992 (2000001-2999999)

Hier finden Sie die Ersatzteilzeichnung für Toro Neu Mowers, Deck Assembly Only R5-38SL02 - Toro 38" Recycler Mower, 1992 (2000001-2999999) SPINDLE & HEIGHT OF CUT ASSEMBLY. Wählen Sie das benötigte Ersatzteil aus der Ersatzteilliste Ihres Toro Gerätes aus und bestellen Sie einfach online. Viele Toro Ersatzteile halten wir ständig in unserem Lager für Sie bereit.


Qualitätsmanagement
Informieren Sie uns, wenn Sie einen Fehler gefunden haben.









