Toro 30562 (200) - 62" Side Discharge Mower, Groundsmaster 200 Series, 1983 (SN 30001-39999) CUTTING UNIT MODEL NO. 30560 #3 Ersatzteile
CUTTING UNIT MODEL NO. 30560 #3 30562 (200) - Toro 62" Side Discharge Mower, Groundsmaster 200 Series, 1983 (SN 30001-39999)

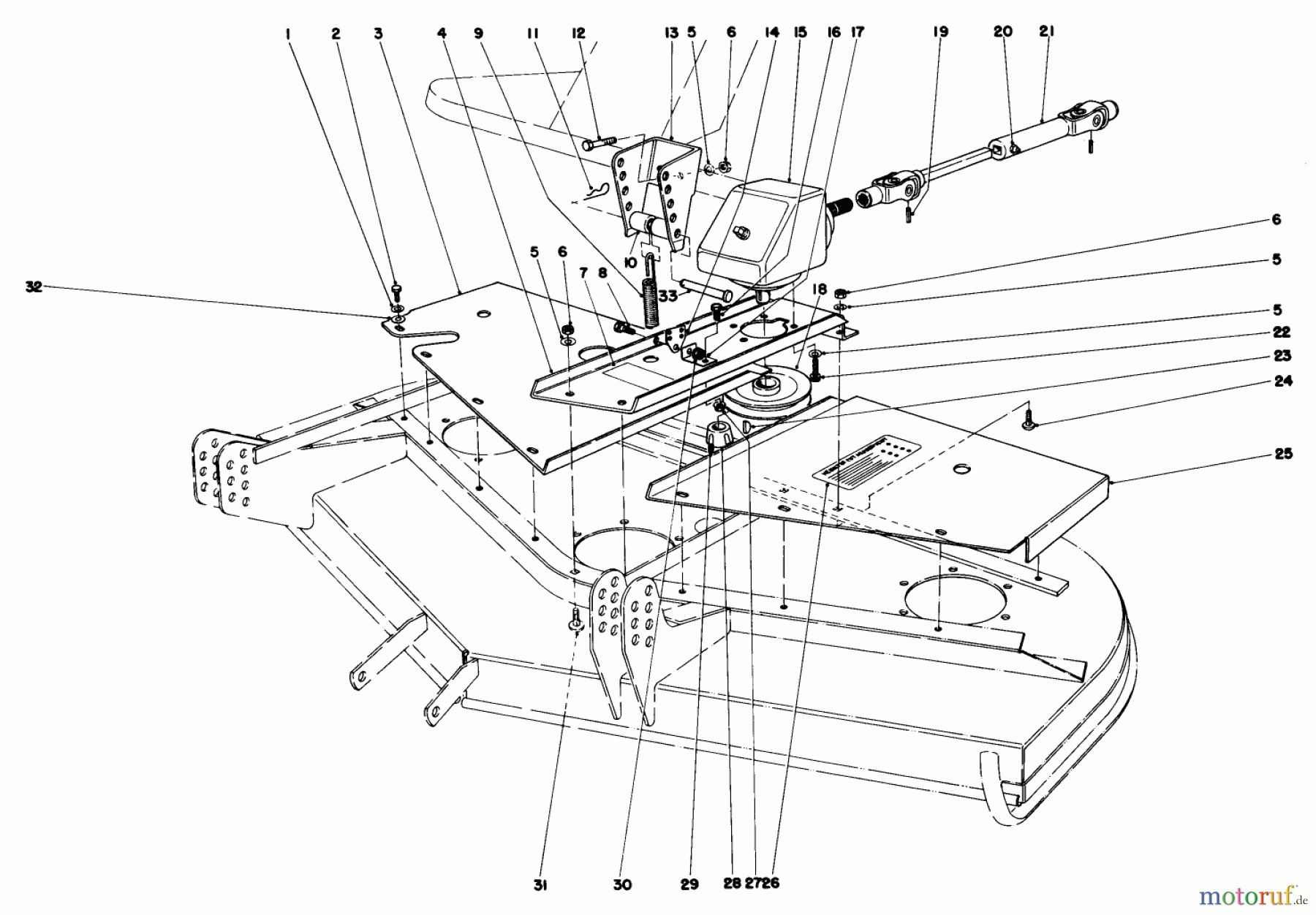
Hier finden Sie die Ersatzteilzeichnung für Toro Neu Mowers, Deck Assembly Only 30562 (200) - Toro 62" Side Discharge Mower, Groundsmaster 200 Series, 1983 (SN 30001-39999) CUTTING UNIT MODEL NO. 30560 #3. Wählen Sie das benötigte Ersatzteil aus der Ersatzteilliste Ihres Toro Gerätes aus und bestellen Sie einfach online. Viele Toro Ersatzteile halten wir ständig in unserem Lager für Sie bereit.


Qualitätsmanagement
Informieren Sie uns, wenn Sie einen Fehler gefunden haben.




