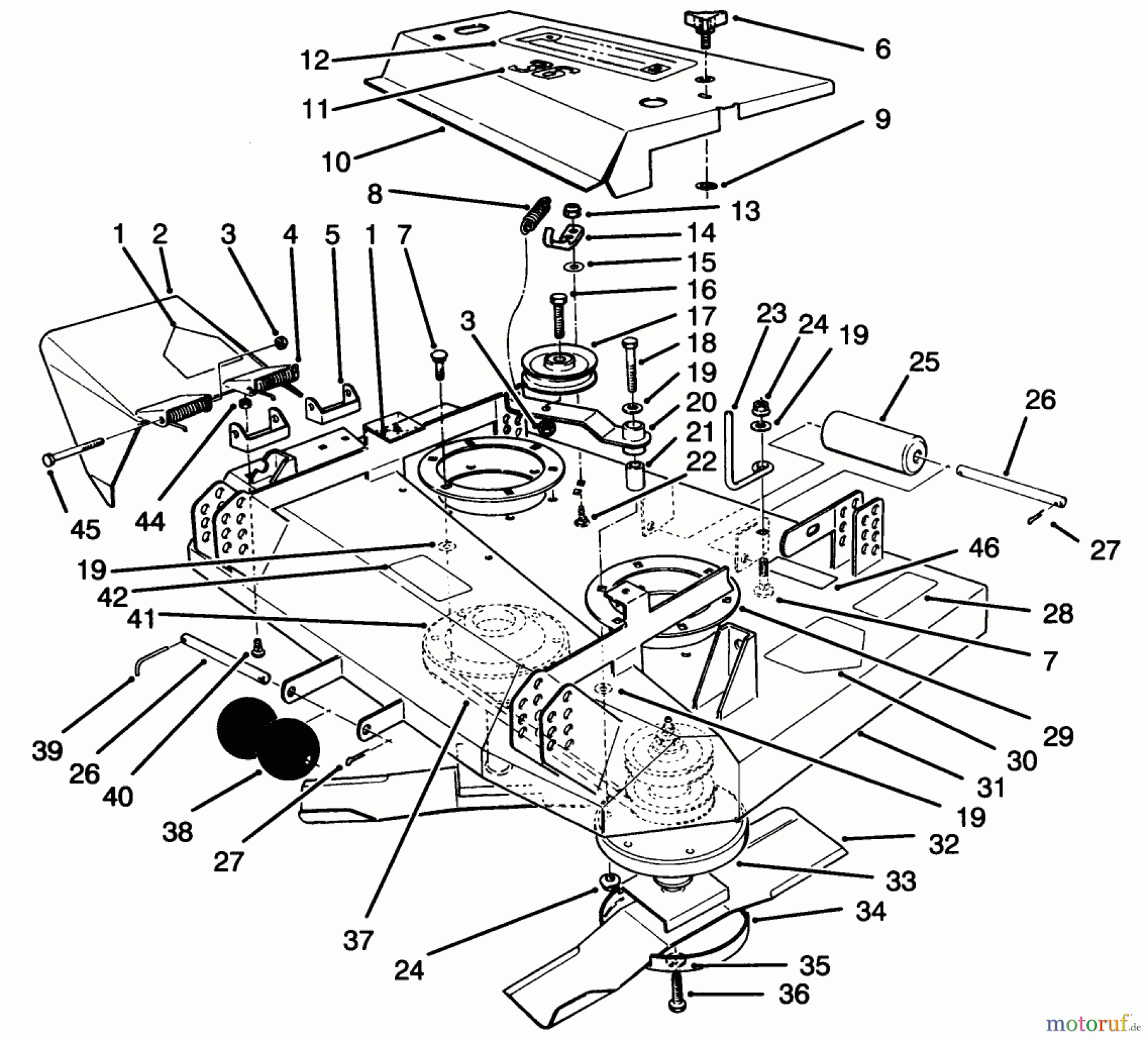
Toro 30136 - 36" Side Discharge Mower, 1994 (4901037-4999999) CUTTING UNIT ASSEMBLY Ersatzteile
CUTTING UNIT ASSEMBLY 30136 - Toro 36" Side Discharge Mower, 1994 (4901037-4999999)

Hier finden Sie die Ersatzteilzeichnung für Toro Neu Mowers, Deck Assembly Only 30136 - Toro 36" Side Discharge Mower, 1994 (4901037-4999999) CUTTING UNIT ASSEMBLY. Wählen Sie das benötigte Ersatzteil aus der Ersatzteilliste Ihres Toro Gerätes aus und bestellen Sie einfach online. Viele Toro Ersatzteile halten wir ständig in unserem Lager für Sie bereit.








