Toro 05-38SL02 - 38" Side Discharge Mower, 1992 (2000001-2999999) IDLER PULLEY & HEIGHT ADJUSTMENT Ersatzteile
IDLER PULLEY & HEIGHT ADJUSTMENT 05-38SL02 - Toro 38" Side Discharge Mower, 1992 (2000001-2999999)

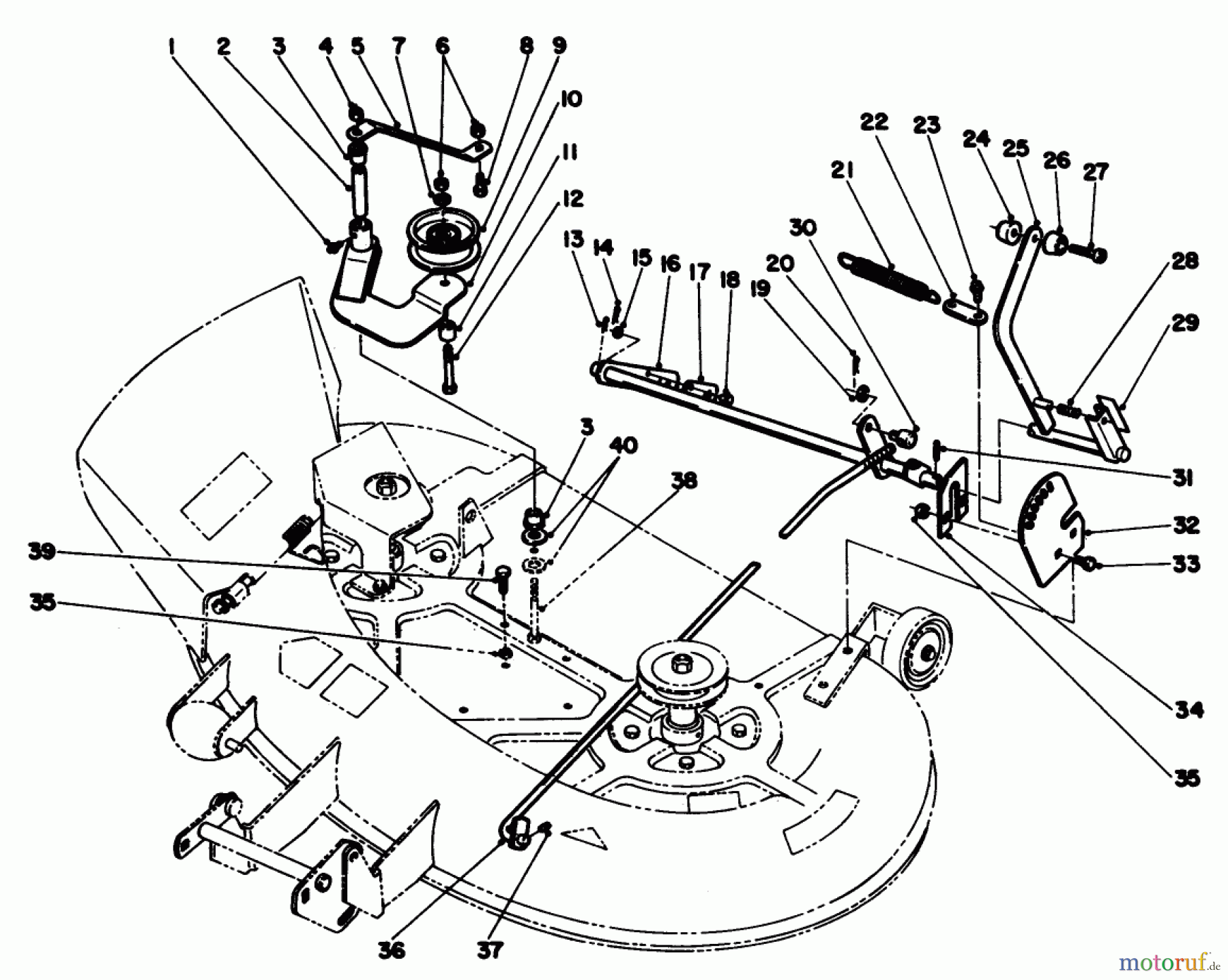
Hier finden Sie die Ersatzteilzeichnung für Toro Neu Mowers, Deck Assembly Only 05-38SL02 - Toro 38" Side Discharge Mower, 1992 (2000001-2999999) IDLER PULLEY & HEIGHT ADJUSTMENT. Wählen Sie das benötigte Ersatzteil aus der Ersatzteilliste Ihres Toro Gerätes aus und bestellen Sie einfach online. Viele Toro Ersatzteile halten wir ständig in unserem Lager für Sie bereit.






