Toro 05-36RL01 - 36" Rear Discharge Mower, 1986 SIDE DISCHARGE MOWER-37 IN. (94 CM) (VEHICLE IDENTIFICATION NUMBER 35-37SL01) #2 Ersatzteile
SIDE DISCHARGE MOWER-37 IN. (94 CM) (VEHICLE IDENTIFICATION NUMBER 35-37SL01) #2 05-36RL01 - Toro 36" Rear Discharge Mower, 1986

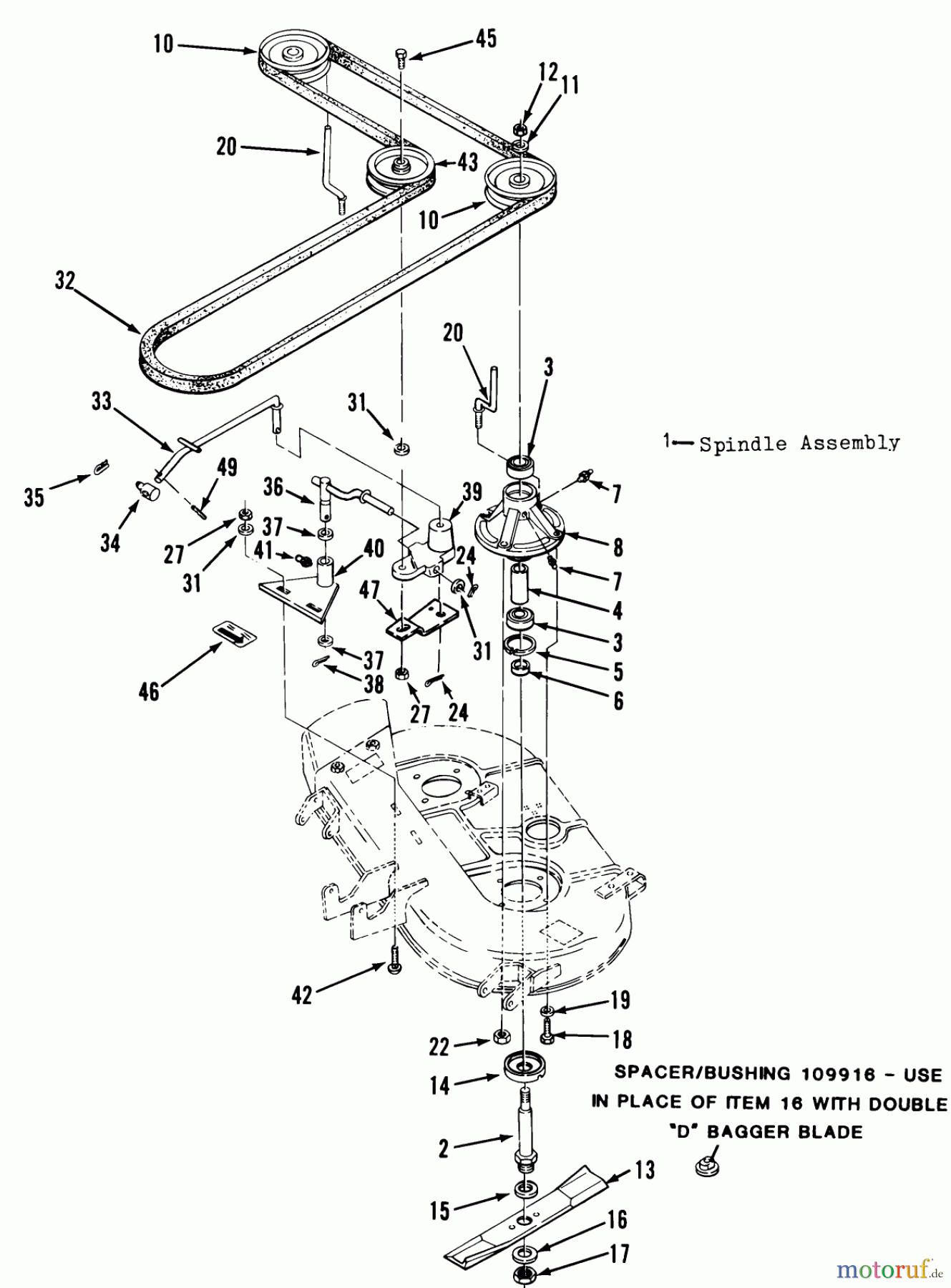
Hier finden Sie die Ersatzteilzeichnung für Toro Neu Mowers, Deck Assembly Only 05-36RL01 - Toro 36" Rear Discharge Mower, 1986 SIDE DISCHARGE MOWER-37 IN. (94 CM) (VEHICLE IDENTIFICATION NUMBER 35-37SL01) #2. Wählen Sie das benötigte Ersatzteil aus der Ersatzteilliste Ihres Toro Gerätes aus und bestellen Sie einfach online. Viele Toro Ersatzteile halten wir ständig in unserem Lager für Sie bereit.


Qualitätsmanagement
Informieren Sie uns, wenn Sie einen Fehler gefunden haben.




