Toro 62025 (T2500) - Generator, T2500, 1984 (4000001-4999999) GENERATOR Ersatzteile
GENERATOR 62025 (T2500) - Toro Generator, T2500, 1984 (4000001-4999999)

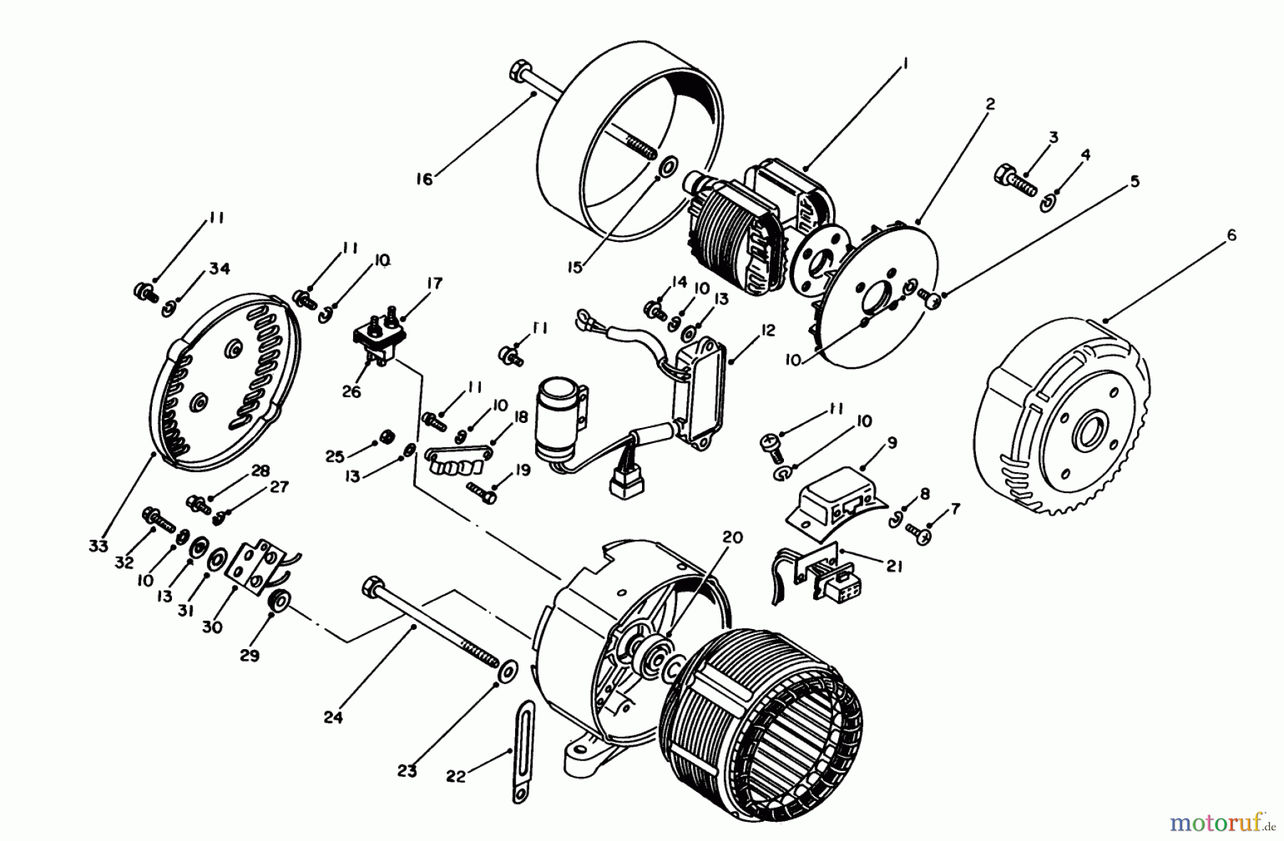
Hier finden Sie die Ersatzteilzeichnung für Toro Neu Generators 62025 (T2500) - Toro Generator, T2500, 1984 (4000001-4999999) GENERATOR. Wählen Sie das benötigte Ersatzteil aus der Ersatzteilliste Ihres Toro Gerätes aus und bestellen Sie einfach online. Viele Toro Ersatzteile halten wir ständig in unserem Lager für Sie bereit.



