Toro 58431 - 3.5 hp Edger, 1987 (7000001-7999999) ENGINE BRIGGS & STRATTON MODEL NO. 80332 TYPE NO. 1655-01 #2 Ersatzteile
ENGINE BRIGGS & STRATTON MODEL NO. 80332 TYPE NO. 1655-01 #2 58431 - Toro 3.5 hp Edger, 1987 (7000001-7999999)

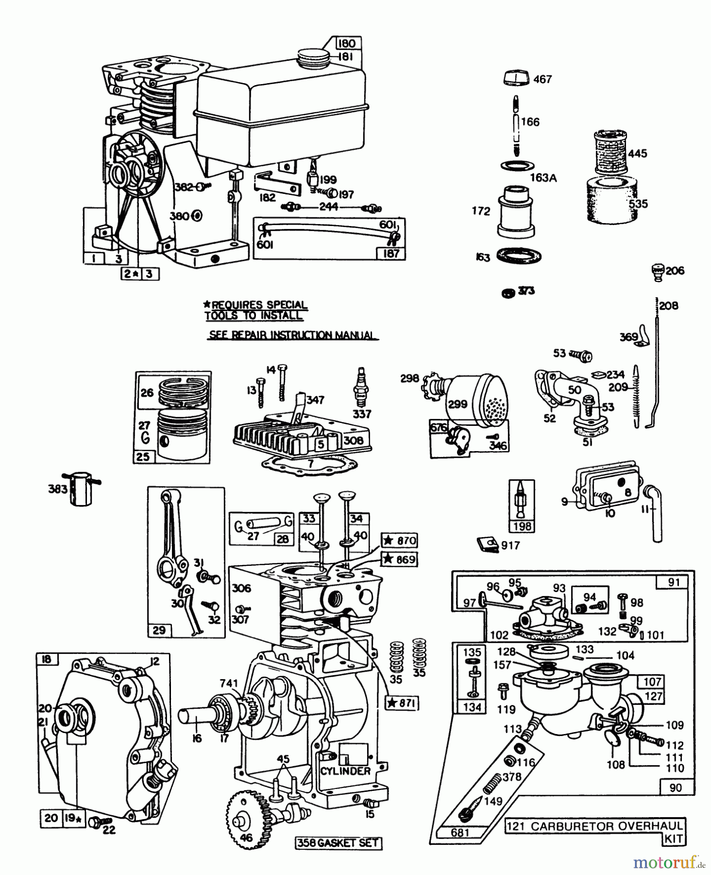
Hier finden Sie die Ersatzteilzeichnung für Toro Neu Edgers 58431 - Toro 3.5 hp Edger, 1987 (7000001-7999999) ENGINE BRIGGS & STRATTON MODEL NO. 80332 TYPE NO. 1655-01 #2. Wählen Sie das benötigte Ersatzteil aus der Ersatzteilliste Ihres Toro Gerätes aus und bestellen Sie einfach online. Viele Toro Ersatzteile halten wir ständig in unserem Lager für Sie bereit.




