Toro 62933 - 5 hp Lawn Blower, 1987 (7000001-7999999) ENGINE BRIGGS & STRATTON MODEL NO. 130202-1640-01 #1 Ersatzteile
ENGINE BRIGGS & STRATTON MODEL NO. 130202-1640-01 #1 62933 - Toro 5 hp Lawn Blower, 1987 (7000001-7999999)

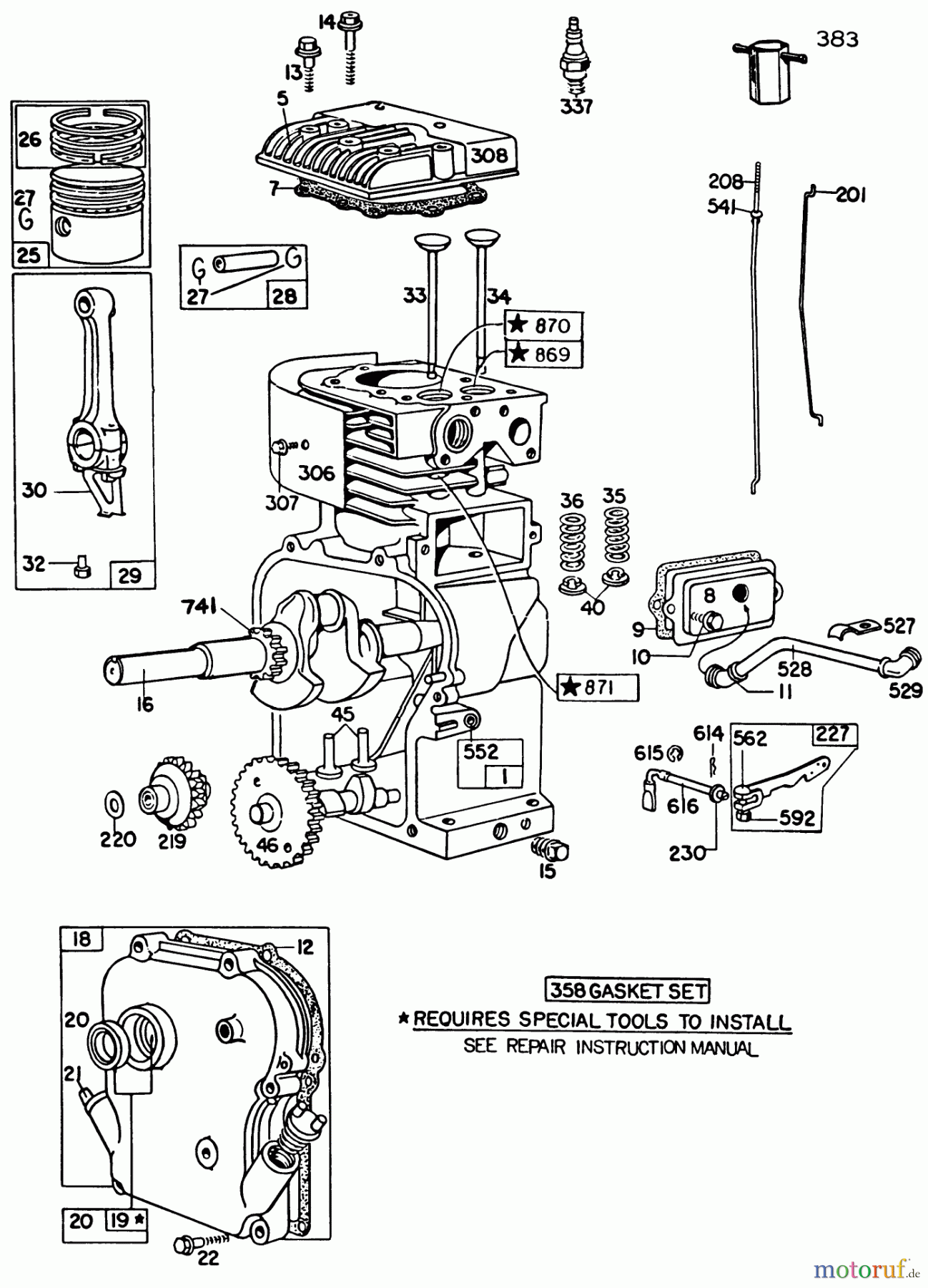
Hier finden Sie die Ersatzteilzeichnung für Toro Neu Blowers/Vacuums/Chippers/Shredders 62933 - Toro 5 hp Lawn Blower, 1987 (7000001-7999999) ENGINE BRIGGS & STRATTON MODEL NO. 130202-1640-01 #1. Wählen Sie das benötigte Ersatzteil aus der Ersatzteilliste Ihres Toro Gerätes aus und bestellen Sie einfach online. Viele Toro Ersatzteile halten wir ständig in unserem Lager für Sie bereit.





