Einkaufswagen
Mein Konto

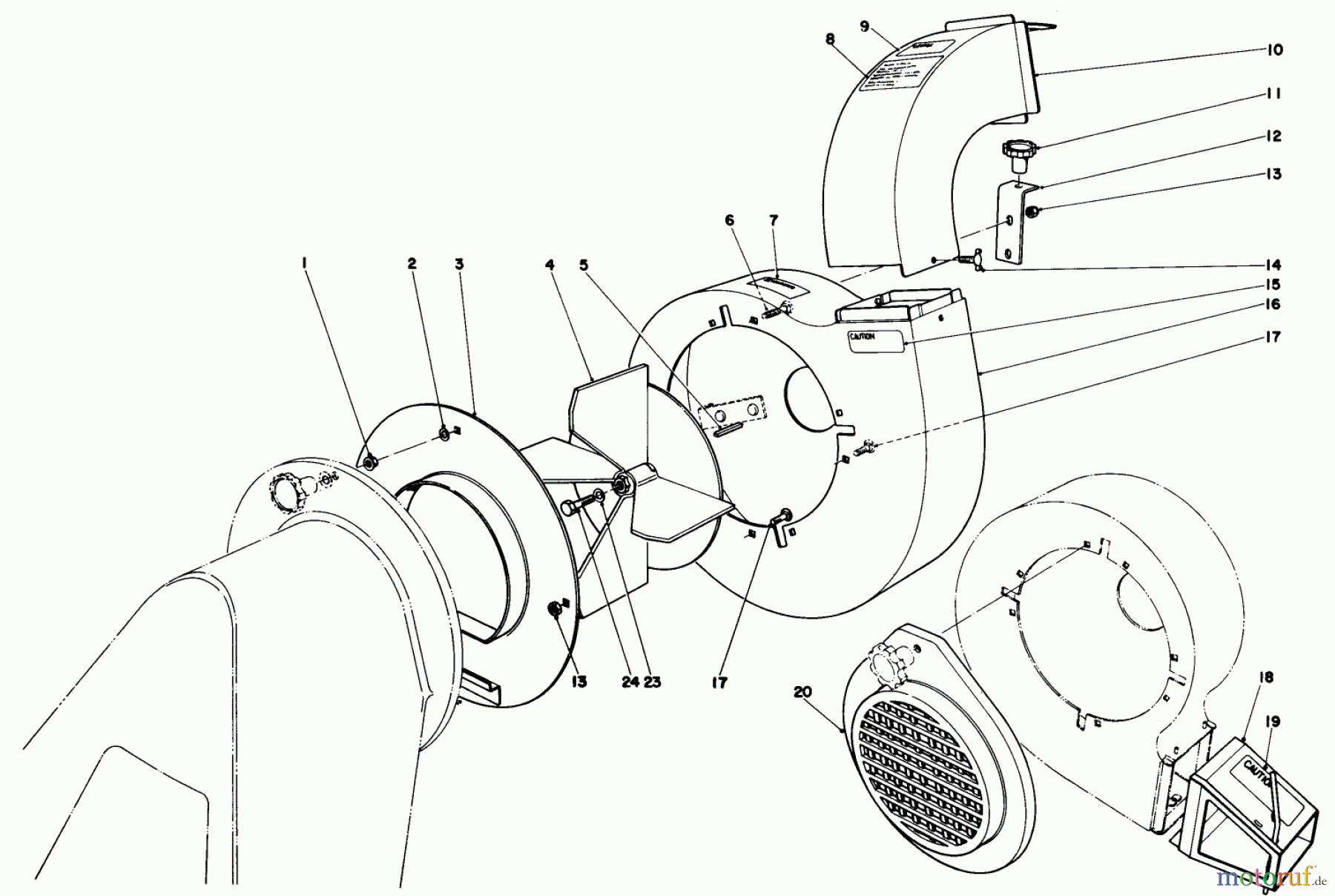
Toro 62923 - 5 hp Lawn Vacuum, 1984 (4000001-4999999) BLOWER ASSEMBLY (MODEL 62912 & 62923) Ersatzteile

BLOWER ASSEMBLY (MODEL 62912 & 62923) 62923 - Toro 5 hp Lawn Vacuum, 1984 (4000001-4999999)

 Toro Neu Blowers/Vacuums/Chippers/Shredders 62923 - Toro 5 hp Lawn Vacuum, 1984 (4000001-4999999) BLOWER ASSEMBLY (MODEL 62912 & 62923)

Hier finden Sie die Ersatzteilzeichnung für Toro Neu Blowers/Vacuums/Chippers/Shredders 62923 - Toro 5 hp Lawn Vacuum, 1984 (4000001-4999999) BLOWER ASSEMBLY (MODEL 62912 & 62923). Wählen Sie das benötigte Ersatzteil aus der Ersatzteilliste Ihres Toro Gerätes aus und bestellen Sie einfach online. Viele Toro Ersatzteile halten wir ständig in unserem Lager für Sie bereit.

Rasen
Bankeinzug, MasterCard, Visa, American Express, PayPal, Nachnahme, Vorauskasse, Sofortüberweisung
Qualitätsmanagement
Informieren Sie uns, wenn Sie einen Fehler gefunden haben.