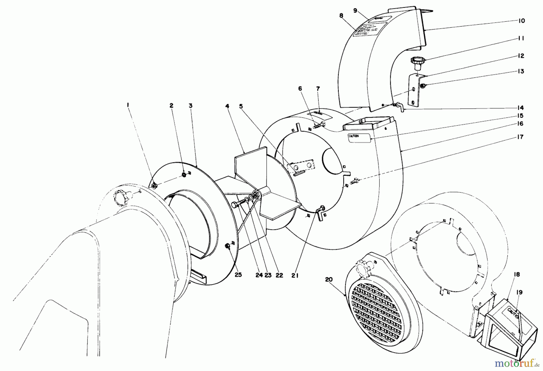
Toro 62912 - 5 hp Lawn Vacuum, 1975 (5000001-5999999) BLOWER ASSEMBLY (MODELS 62912 & 62923) Ersatzteile
BLOWER ASSEMBLY (MODELS 62912 & 62923) 62912 - Toro 5 hp Lawn Vacuum, 1975 (5000001-5999999)

Hier finden Sie die Ersatzteilzeichnung für Toro Neu Blowers/Vacuums/Chippers/Shredders 62912 - Toro 5 hp Lawn Vacuum, 1975 (5000001-5999999) BLOWER ASSEMBLY (MODELS 62912 & 62923). Wählen Sie das benötigte Ersatzteil aus der Ersatzteilliste Ihres Toro Gerätes aus und bestellen Sie einfach online. Viele Toro Ersatzteile halten wir ständig in unserem Lager für Sie bereit.



