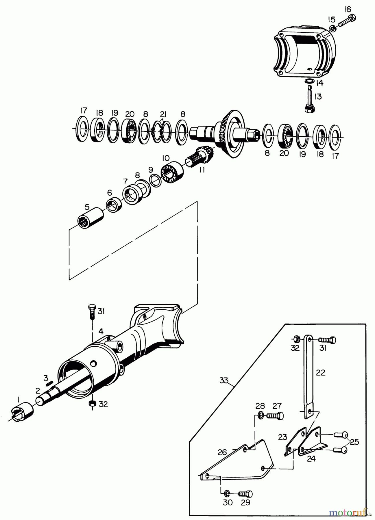
Toro 67-40TL01 - 40" Tiller, 1976 PARTS LIST FOR GEAR CASE ASSEMBLY (FIG. B) Ersatzteile
PARTS LIST FOR GEAR CASE ASSEMBLY (FIG. B) 67-40TL01 - Toro 40" Tiller, 1976

Hier finden Sie die Ersatzteilzeichnung für Toro Neu Accessories, Tiller/Cultivator 67-40TL01 - Toro 40" Tiller, 1976 PARTS LIST FOR GEAR CASE ASSEMBLY (FIG. B). Wählen Sie das benötigte Ersatzteil aus der Ersatzteilliste Ihres Toro Gerätes aus und bestellen Sie einfach online. Viele Toro Ersatzteile halten wir ständig in unserem Lager für Sie bereit.


Qualitätsmanagement
Informieren Sie uns, wenn Sie einen Fehler gefunden haben.

