Rasen- und Garten Traktoren DIFFERENTIAL ASSEMBLY Ersatzteile
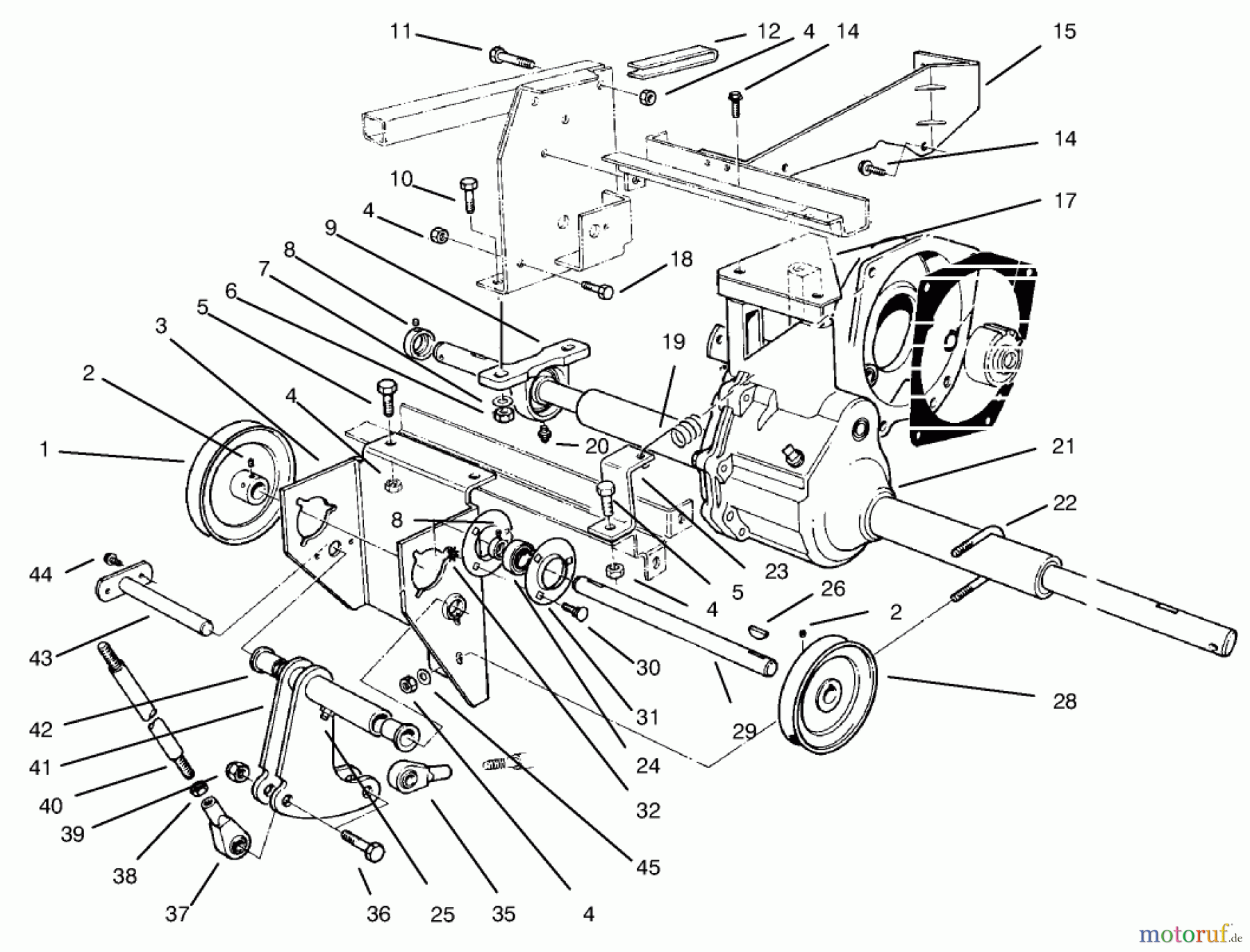
DIFFERENTIAL ASSEMBLY 30612 - Toro Groundsmaster 120 Tractor (SN: 790001 - 799999) (1997)

Hier finden Sie die Ersatzteilzeichnung für Rasen- und Garten Traktoren 30612 - Toro Groundsmaster 120 Tractor (SN: 790001 - 799999) (1997) DIFFERENTIAL ASSEMBLY. Wählen Sie das benötigte Ersatzteil aus der Ersatzteilliste Ihres Rasen- und Garten Traktoren Gerätes aus und bestellen Sie einfach online. Viele Rasen- und Garten Traktoren Ersatzteile halten wir ständig in unserem Lager für Sie bereit.


Qualitätsmanagement
Informieren Sie uns, wenn Sie einen Fehler gefunden haben.


