Laubbläser / Laubsauger ENGINE MODEL NO. 130202 TYPE 0600-01 BRIGGS & STRATTON Ersatzteile
ENGINE MODEL NO. 130202 TYPE 0600-01 BRIGGS & STRATTON 62923 - Toro 5 hp Lawn Vacuum (SN: 3000001 - 3999999) (1983)

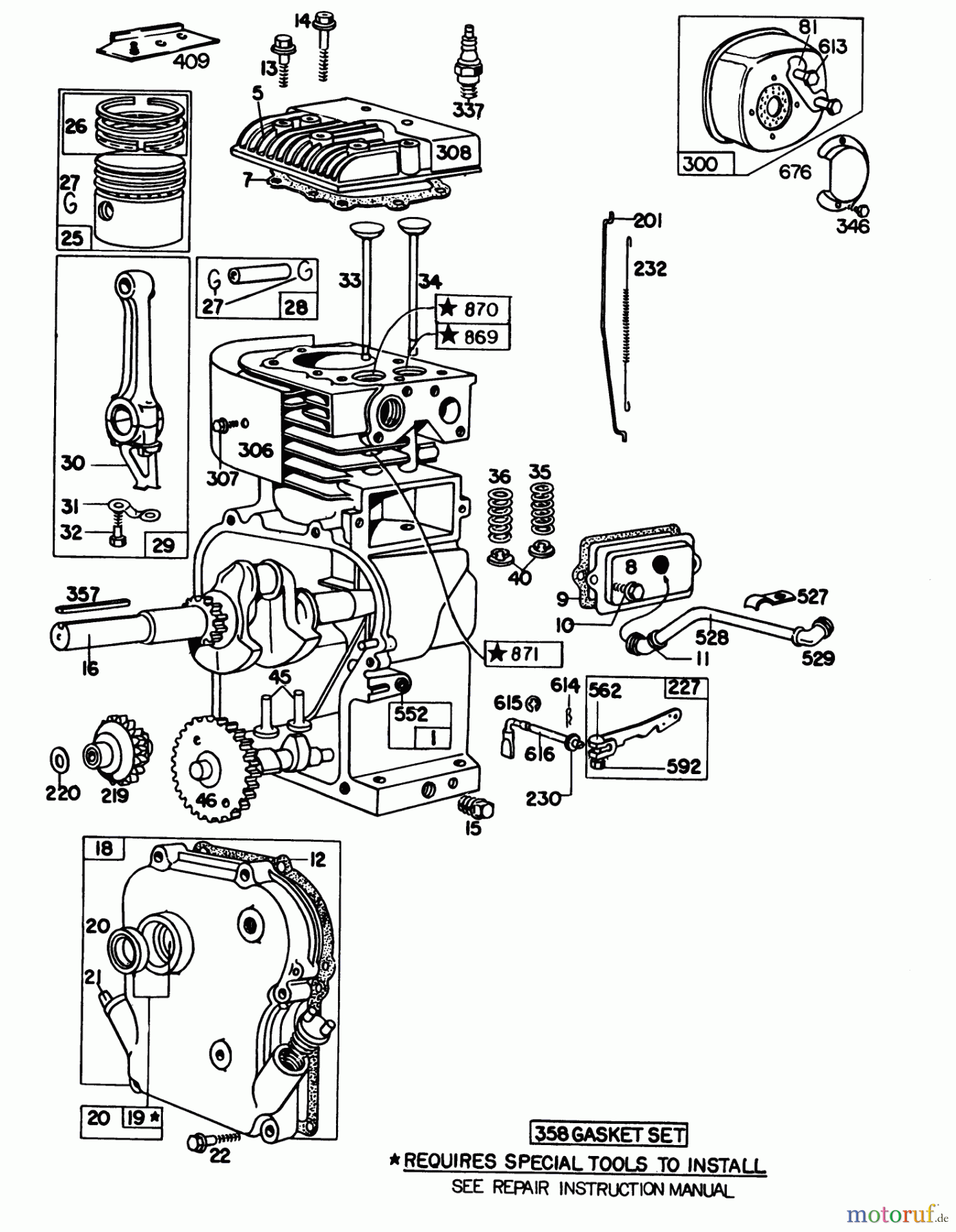
Hier finden Sie die Ersatzteilzeichnung für Laubbläser / Laubsauger 62923 - Toro 5 hp Lawn Vacuum (SN: 3000001 - 3999999) (1983) ENGINE MODEL NO. 130202 TYPE 0600-01 BRIGGS & STRATTON. Wählen Sie das benötigte Ersatzteil aus der Ersatzteilliste Ihres Laubbläser / Laubsauger Gerätes aus und bestellen Sie einfach online. Viele Laubbläser / Laubsauger Ersatzteile halten wir ständig in unserem Lager für Sie bereit.


Qualitätsmanagement
Informieren Sie uns, wenn Sie einen Fehler gefunden haben.




