Laubbläser / Laubsauger ENGINE BRIGGS & STRATTON MODEL NO. 130202-1640-01 #1 Ersatzteile
ENGINE BRIGGS & STRATTON MODEL NO. 130202-1640-01 #1 62912 - Toro 5 hp Lawn Vacuum (SN: 5000001 - 5999999) (1985)

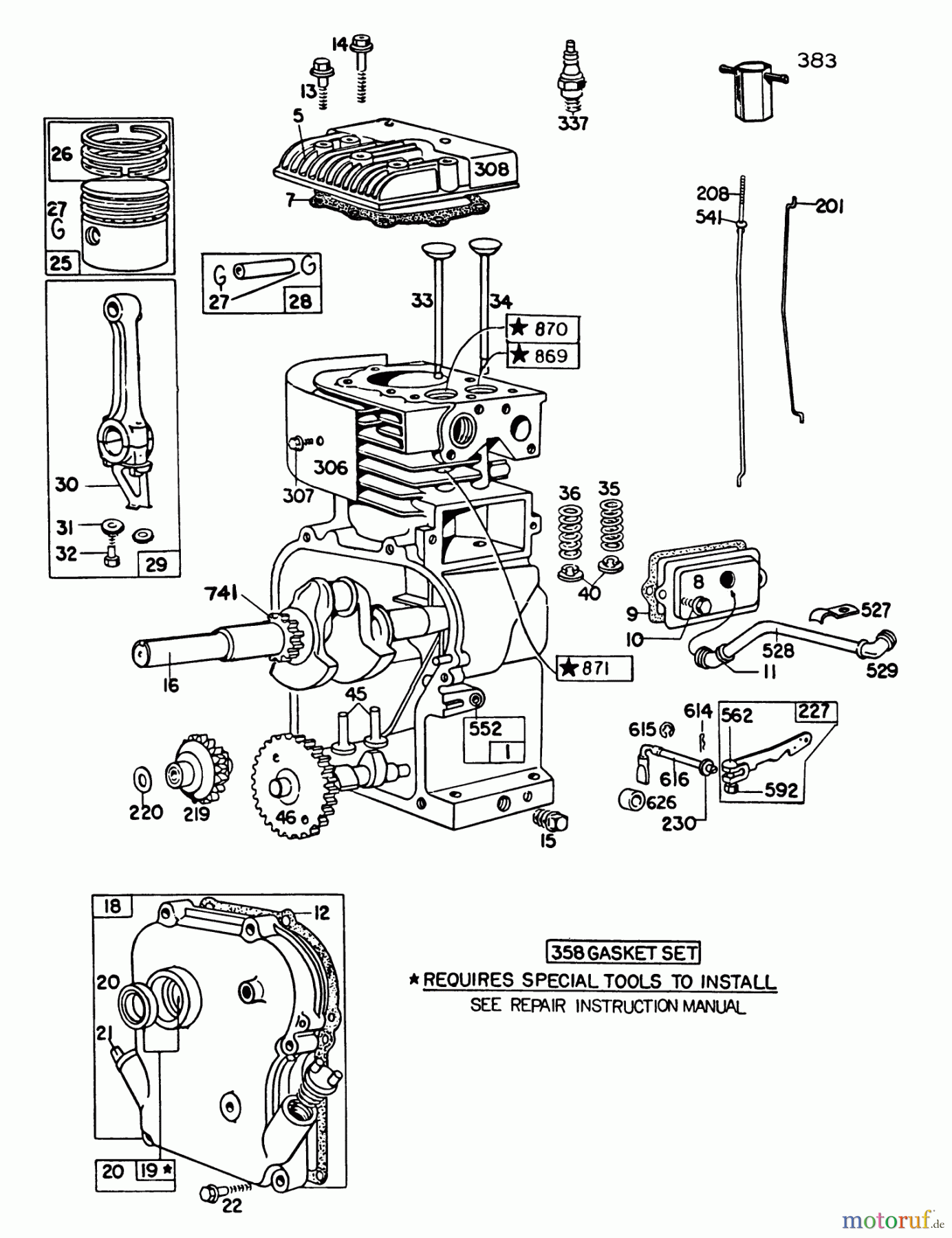
Hier finden Sie die Ersatzteilzeichnung für Laubbläser / Laubsauger 62912 - Toro 5 hp Lawn Vacuum (SN: 5000001 - 5999999) (1985) ENGINE BRIGGS & STRATTON MODEL NO. 130202-1640-01 #1. Wählen Sie das benötigte Ersatzteil aus der Ersatzteilliste Ihres Laubbläser / Laubsauger Gerätes aus und bestellen Sie einfach online. Viele Laubbläser / Laubsauger Ersatzteile halten wir ständig in unserem Lager für Sie bereit.





