Zubehör HYDRAULIC PUMP HOSE ASSEMBLY NO. 2 Ersatzteile
HYDRAULIC PUMP HOSE ASSEMBLY NO. 2 23825 - Toro 4045 Directional Drill (SN: 314000001 - 314999999) (2014)

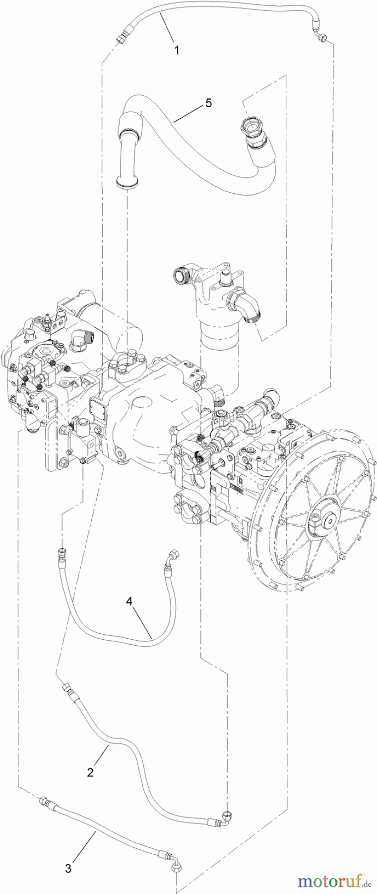
Hier finden Sie die Ersatzteilzeichnung für Zubehör 23825 - Toro 4045 Directional Drill (SN: 314000001 - 314999999) (2014) HYDRAULIC PUMP HOSE ASSEMBLY NO. 2. Wählen Sie das benötigte Ersatzteil aus der Ersatzteilliste Ihres Zubehör Gerätes aus und bestellen Sie einfach online. Viele Zubehör Ersatzteile halten wir ständig in unserem Lager für Sie bereit.
| BildNr | Artikel Nummer | Bezeichnung | |
| 1 | TRAU119797 | ||
| 2 | TR127-0857 | ||
| 3 | TRAU120430 | ||
| 4 | TRAU126526 | ||
| 5 | TRAU121899 | ||



