Zubehör TRAVEL PENDANT AND LIFE JACKET ASSEMBLY Ersatzteile
TRAVEL PENDANT AND LIFE JACKET ASSEMBLY 23823 - Toro 4045 Directional Drill with Cab (SN: 314000001 - 314999999) (2014)

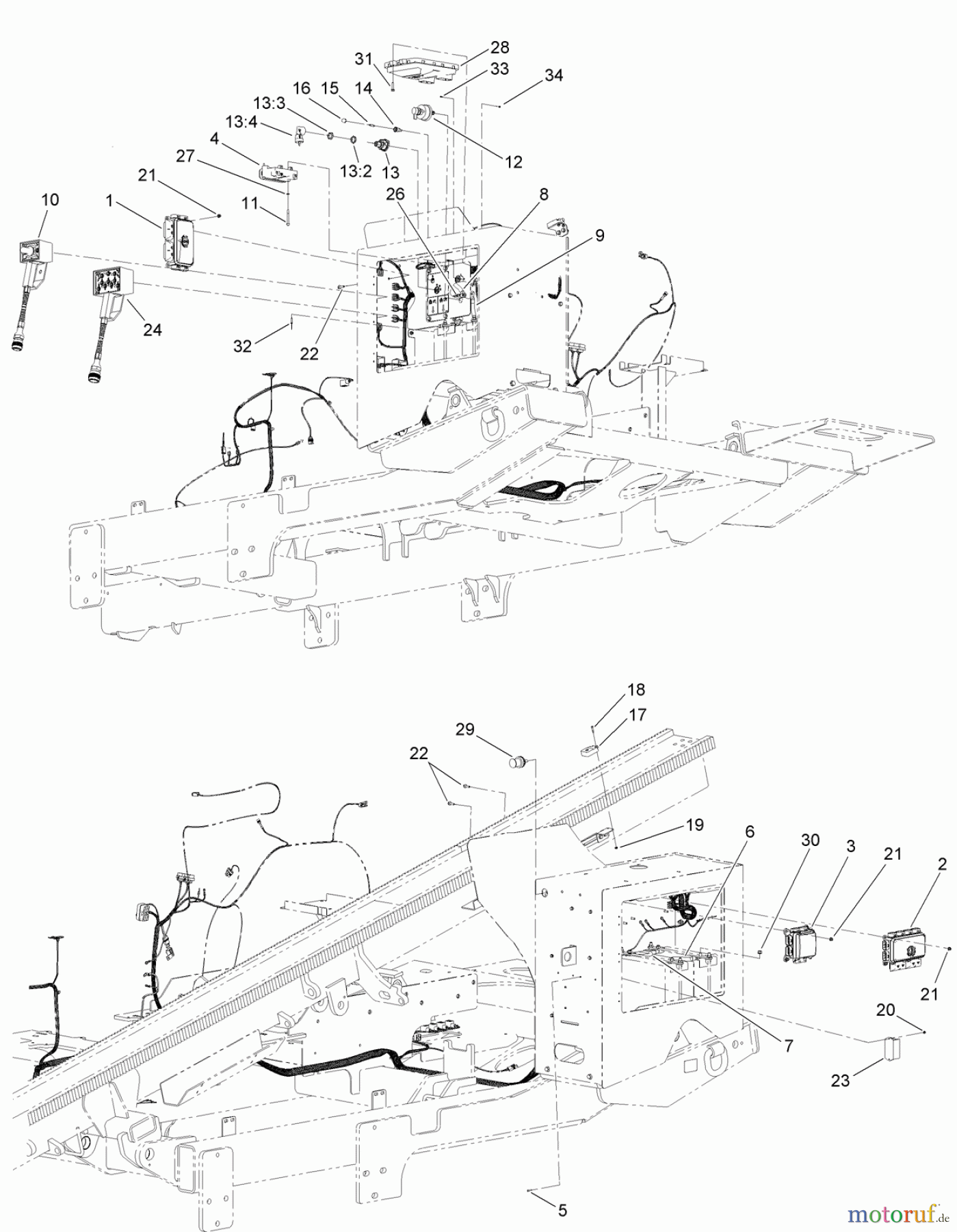
Hier finden Sie die Ersatzteilzeichnung für Zubehör 23823 - Toro 4045 Directional Drill with Cab (SN: 314000001 - 314999999) (2014) TRAVEL PENDANT AND LIFE JACKET ASSEMBLY. Wählen Sie das benötigte Ersatzteil aus der Ersatzteilliste Ihres Zubehör Gerätes aus und bestellen Sie einfach online. Viele Zubehör Ersatzteile halten wir ständig in unserem Lager für Sie bereit.
| BildNr | Artikel Nummer | Bezeichnung | |
| 1 | TRAU119073 | ||
| 2 | TRAU119074 | ||
| 3 | TRAU119075 | ||
| 4 | TRAU117892 | ||
| 5 | TR3250-17 | Schraube | |
| 6 | TR122-0105 | ||
| 7 | TR122-0106 | ||
| 8 | TR122-0091 | ||
| 9 | TR122-0092 | ||
| 10 | TR125-1629 | ||
| 11 | TRAU100315 | ||
| 12 | TRAUR52278 | ||
| 13 | TR121-5159 | IGNITION SWITCH ASM | |
| 13:2 | TR121-5160 | NUT-HEX | |
| 13:3 | TR121-5161 | NUT-FACE | |
| 13:4 | TR121-5162 | IGNITION KEY SET | |
| 14 | TRAU8EO21401 | ||
| 15 | TR122-0224 | ||
| 16 | TRAU8EO21406 | ||
| 17 | TRAU8EP65159 | ||
| 18 | TR9107964 | SCREW #10-24X1 | |
| 19 | TR32149-7 | Mutter | |
| 20 | TR3296-1 | Mutter | |
| 21 | TR81-0130 | NUT-FLANGE, NI | |
| 22 | TR33103-025 | Schraube | |
| 23 | TRAU115133 | ||
| 24 | TR125-1628 | ||
| 26 | TR122-0084 | ||
| 27 | TR33093-00 | ||
| 28 | TRAU117890 | ||
| 29 | TRAU105186 | ||
| 30 | TR32149-10 | MUTTER | |
| 31 | TR33103-030 | SCHRAUBE | |
| 32 | TR3269-28 | RIVET-POP | |
| 33 | TR1-3153 | ||
| 34 | TR3296-52 | Mutter | |



