Snapper 7061347 - 42" Snow Blade, LT Snow Blade Ersatzteile
Snow Blade 7061347 - Snapper 42" Snow Blade, LT

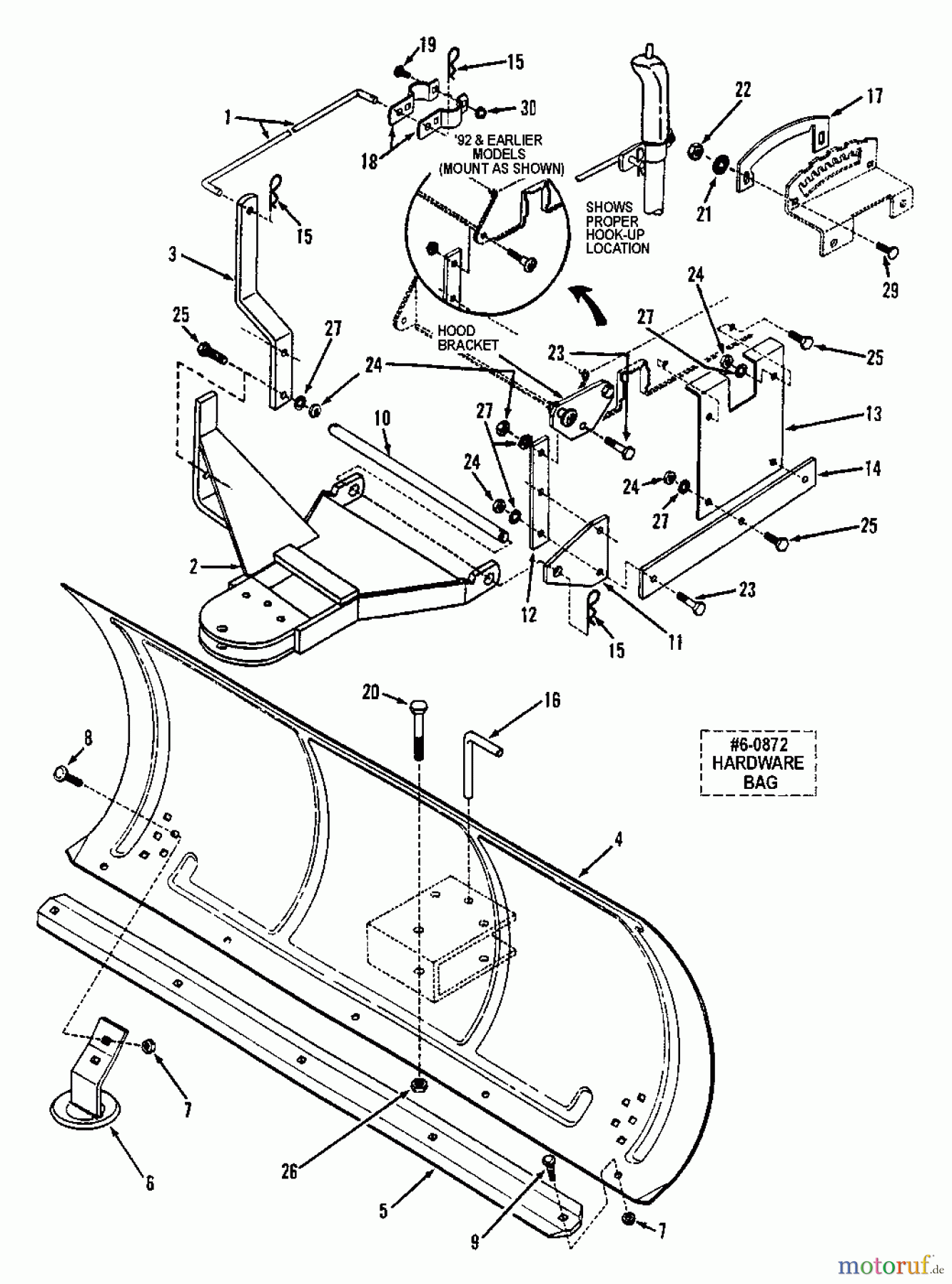
Hier finden Sie die Ersatzteilzeichnung für Snapper Sonstiges 7061347 - Snapper 42" Snow Blade, LT Snow Blade. Wählen Sie das benötigte Ersatzteil aus der Ersatzteilliste Ihres Snapper Gerätes aus und bestellen Sie einfach online. Viele Snapper Ersatzteile halten wir ständig in unserem Lager für Sie bereit.


Qualitätsmanagement
Informieren Sie uns, wenn Sie einen Fehler gefunden haben.

