Snapper ZT20500BV (5091001) - 50" Zero-Turn Mower, 20 HP, ZTR FastCut Series 0 Engine & PTO Group - 20HP Briggs & Stratton Ersatzteile
Engine & PTO Group - 20HP Briggs & Stratton ZT20500BV (5091001) - Snapper 50" Zero-Turn Mower, 20 HP, ZTR FastCut Series 0

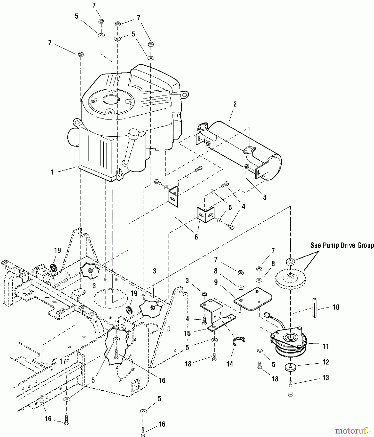
Hier finden Sie die Ersatzteilzeichnung für Snapper Nullwendekreismäher, Zero-Turn ZT20500BV (5091001) - Snapper 50" Zero-Turn Mower, 20 HP, ZTR FastCut Series 0 Engine & PTO Group - 20HP Briggs & Stratton. Wählen Sie das benötigte Ersatzteil aus der Ersatzteilliste Ihres Snapper Gerätes aus und bestellen Sie einfach online. Viele Snapper Ersatzteile halten wir ständig in unserem Lager für Sie bereit.




