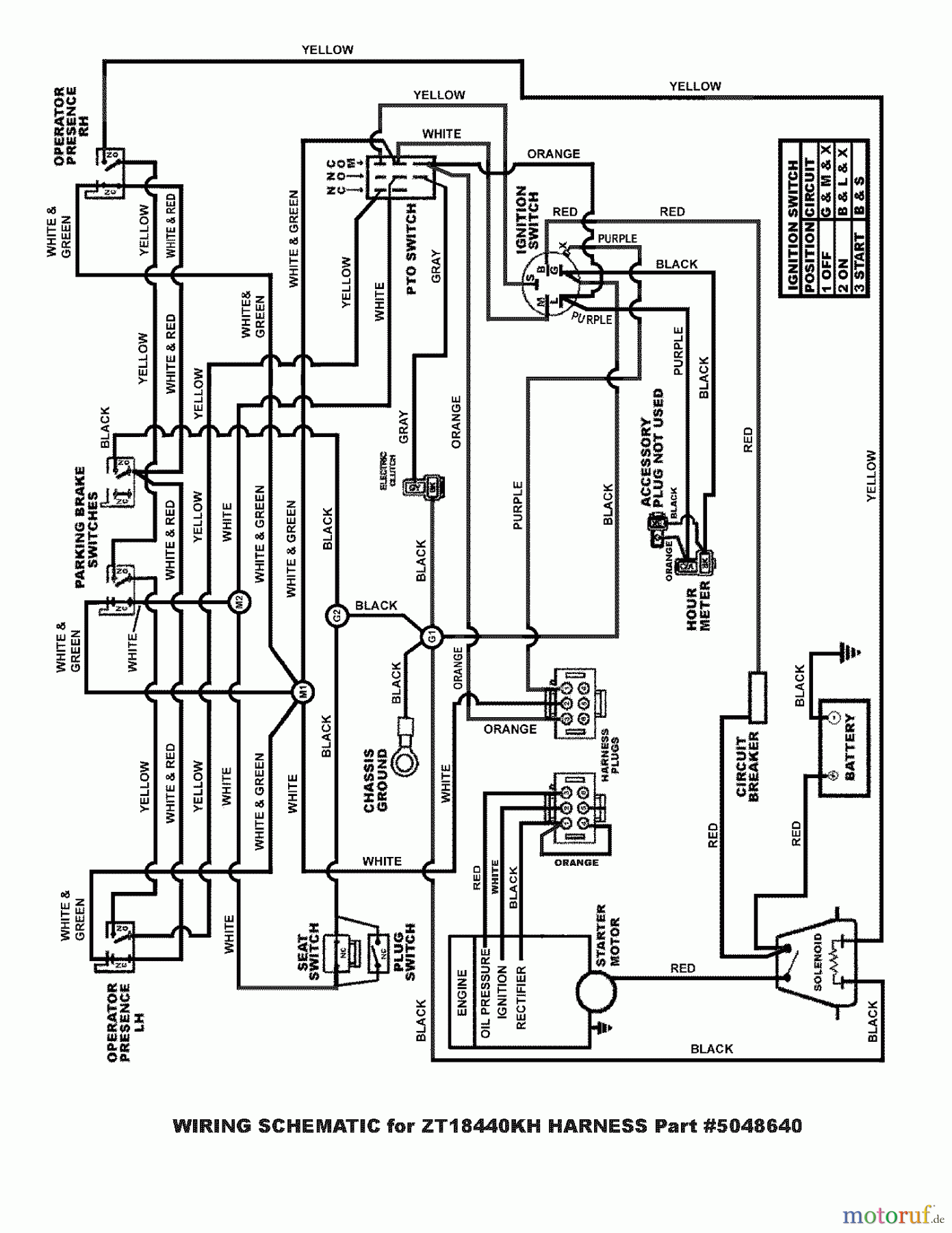
Snapper ZT18441KHC (5900608) - 44" Zero-Turn Mower, 18 HP, ZTR FastCut Series 1 Wiring Schematic 18hp Ersatzteile
Wiring Schematic 18hp ZT18441KHC (5900608) - Snapper 44" Zero-Turn Mower, 18 HP, ZTR FastCut Series 1

Hier finden Sie die Ersatzteilzeichnung für Snapper Nullwendekreismäher, Zero-Turn ZT18441KHC (5900608) - Snapper 44" Zero-Turn Mower, 18 HP, ZTR FastCut Series 1 Wiring Schematic 18hp. Wählen Sie das benötigte Ersatzteil aus der Ersatzteilliste Ihres Snapper Gerätes aus und bestellen Sie einfach online. Viele Snapper Ersatzteile halten wir ständig in unserem Lager für Sie bereit.


