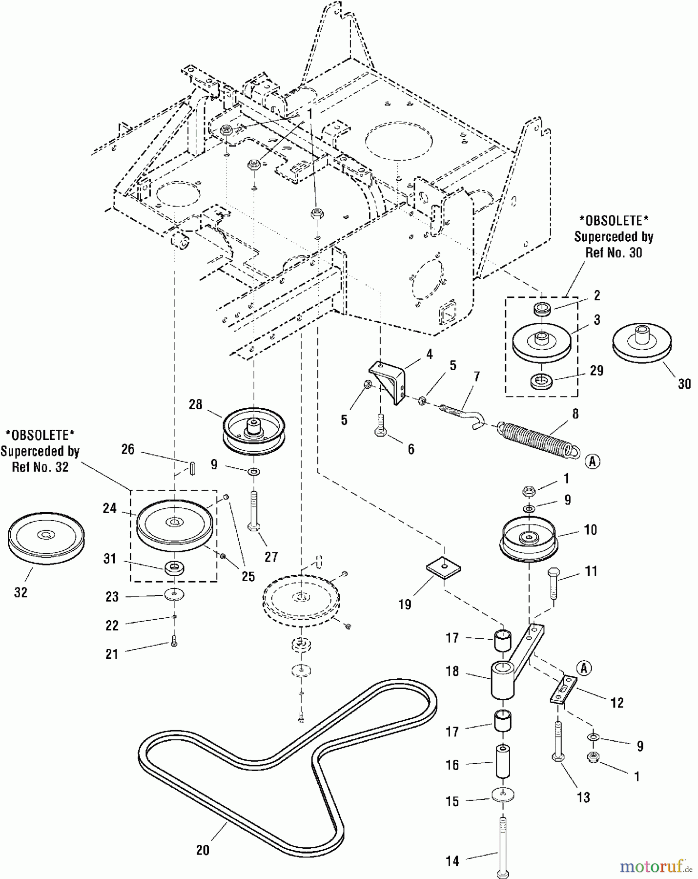
Snapper ZT18440KH (5091000) - 44" Zero-Turn Mower, 18 HP, ZTR FastCut Series 0 Pump Drive Group Ersatzteile
Pump Drive Group ZT18440KH (5091000) - Snapper 44" Zero-Turn Mower, 18 HP, ZTR FastCut Series 0

Hier finden Sie die Ersatzteilzeichnung für Snapper Nullwendekreismäher, Zero-Turn ZT18440KH (5091000) - Snapper 44" Zero-Turn Mower, 18 HP, ZTR FastCut Series 0 Pump Drive Group. Wählen Sie das benötigte Ersatzteil aus der Ersatzteilliste Ihres Snapper Gerätes aus und bestellen Sie einfach online. Viele Snapper Ersatzteile halten wir ständig in unserem Lager für Sie bereit.


Qualitätsmanagement
Informieren Sie uns, wenn Sie einen Fehler gefunden haben.

