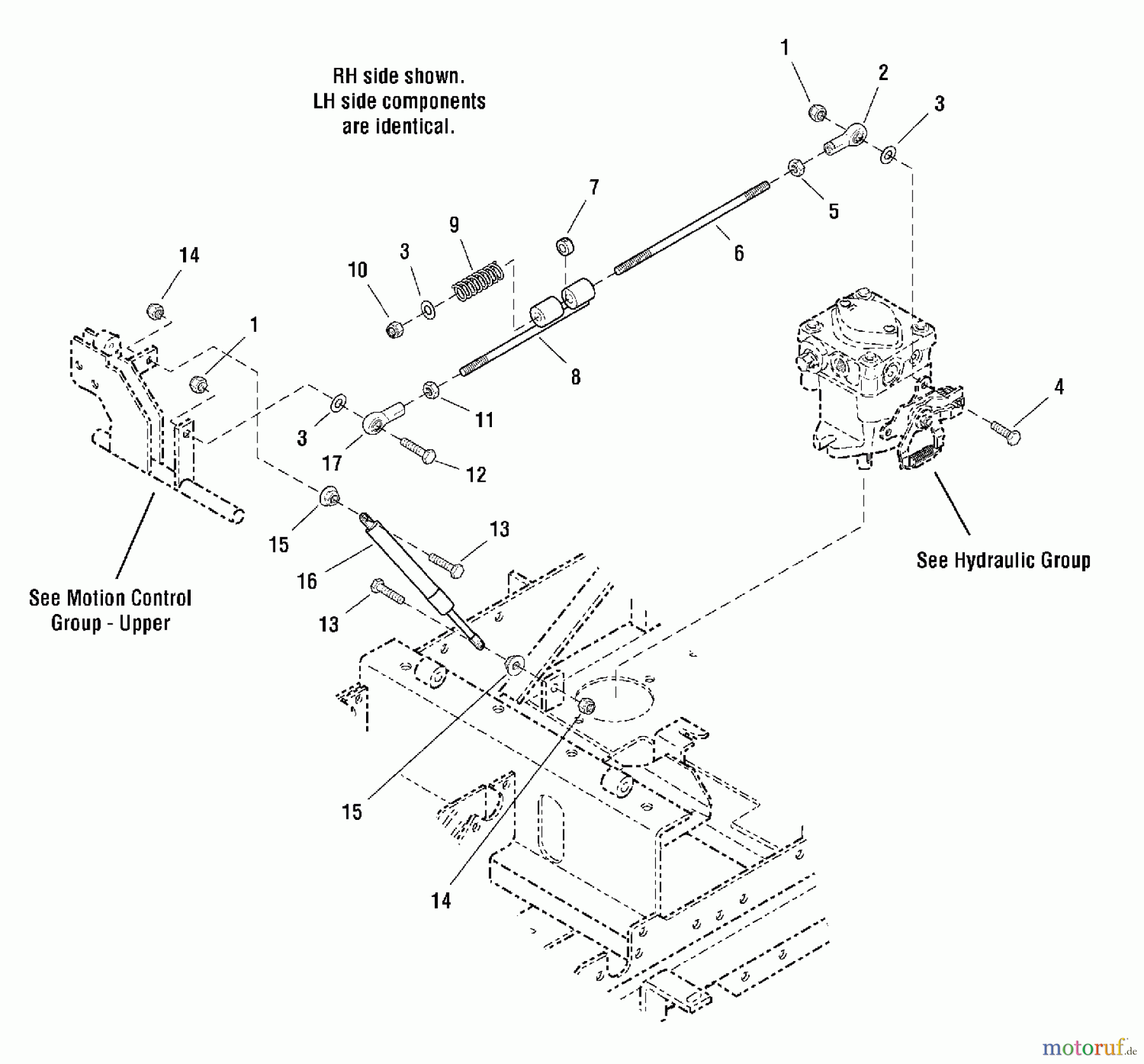
Snapper ZT18440KH (5091000) - 44" Zero-Turn Mower, 18 HP, ZTR FastCut Series 0 Motion Controls Group - Lower Ersatzteile
Motion Controls Group - Lower ZT18440KH (5091000) - Snapper 44" Zero-Turn Mower, 18 HP, ZTR FastCut Series 0

Hier finden Sie die Ersatzteilzeichnung für Snapper Nullwendekreismäher, Zero-Turn ZT18440KH (5091000) - Snapper 44" Zero-Turn Mower, 18 HP, ZTR FastCut Series 0 Motion Controls Group - Lower. Wählen Sie das benötigte Ersatzteil aus der Ersatzteilliste Ihres Snapper Gerätes aus und bestellen Sie einfach online. Viele Snapper Ersatzteile halten wir ständig in unserem Lager für Sie bereit.




