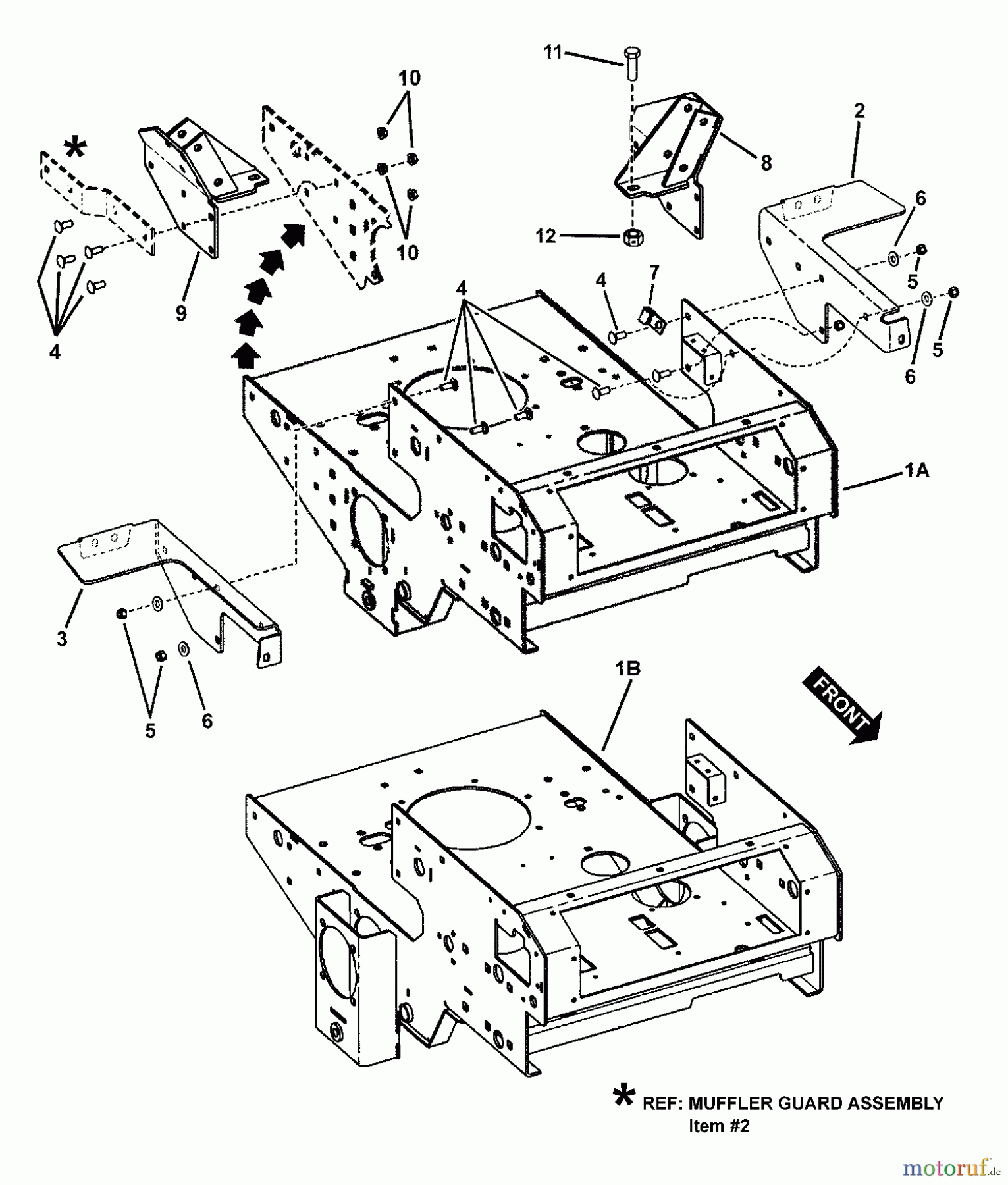
Snapper NZM27613KH (7800023) - 61" Zero-Turn Mower, 27 HP, Kohler, Mid Mount, Z-Rider Commercial Lawn & Turf Series 3 REAR FRAME & TANK BRACKETS Ersatzteile
REAR FRAME & TANK BRACKETS NZM27613KH (7800023) - Snapper 61" Zero-Turn Mower, 27 HP, Kohler, Mid Mount, Z-Rider Commercial Lawn & Turf Series 3

Hier finden Sie die Ersatzteilzeichnung für Snapper Nullwendekreismäher, Zero-Turn NZM27613KH (7800023) - Snapper 61" Zero-Turn Mower, 27 HP, Kohler, Mid Mount, Z-Rider Commercial Lawn & Turf Series 3 REAR FRAME & TANK BRACKETS. Wählen Sie das benötigte Ersatzteil aus der Ersatzteilliste Ihres Snapper Gerätes aus und bestellen Sie einfach online. Viele Snapper Ersatzteile halten wir ständig in unserem Lager für Sie bereit.


Qualitätsmanagement
Informieren Sie uns, wenn Sie einen Fehler gefunden haben.

