Snapper 21350PS - 21" Walk-Behind Mower, 3.5 HP, Steel Deck, Series 0 Electric Start (1982, 12V Tec 21350PS) Ersatzteile
Electric Start (1982, 12V Tec 21350PS) 21350PS - Snapper 21" Walk-Behind Mower, 3.5 HP, Steel Deck, Series 0

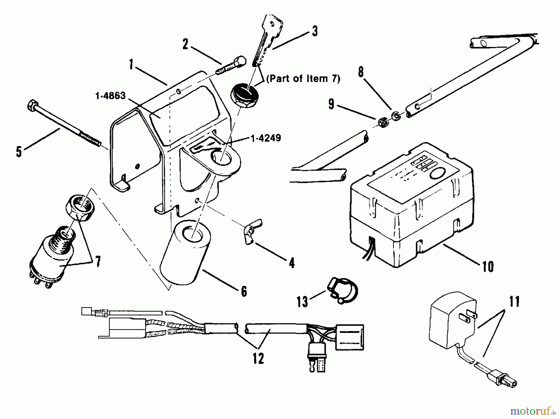
Hier finden Sie die Ersatzteilzeichnung für Snapper Rasenmäher 21350PS - Snapper 21" Walk-Behind Mower, 3.5 HP, Steel Deck, Series 0 Electric Start (1982, 12V Tec 21350PS). Wählen Sie das benötigte Ersatzteil aus der Ersatzteilliste Ihres Snapper Gerätes aus und bestellen Sie einfach online. Viele Snapper Ersatzteile halten wir ständig in unserem Lager für Sie bereit.


Qualitätsmanagement
Informieren Sie uns, wenn Sie einen Fehler gefunden haben.

