Snapper 7080426 - 19" Lady Garden Single Stage Snowthrower Covers, Engine Ersatzteile
Covers, Engine 7080426 - Snapper 19" Lady Garden Single Stage Snowthrower

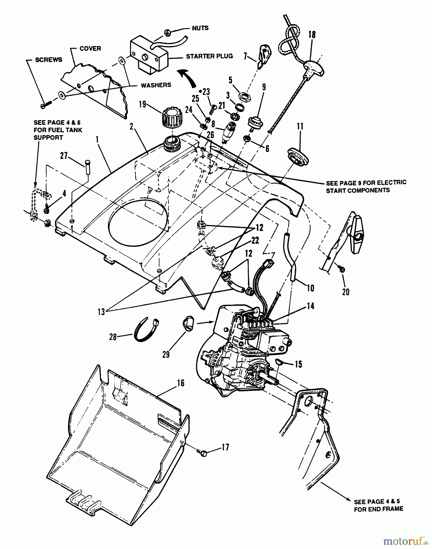
Hier finden Sie die Ersatzteilzeichnung für Snapper Zubehör, Schnee 7080426 - Snapper 19" Lady Garden Single Stage Snowthrower Covers, Engine. Wählen Sie das benötigte Ersatzteil aus der Ersatzteilliste Ihres Snapper Gerätes aus und bestellen Sie einfach online. Viele Snapper Ersatzteile halten wir ständig in unserem Lager für Sie bereit.


Qualitätsmanagement
Informieren Sie uns, wenn Sie einen Fehler gefunden haben.

