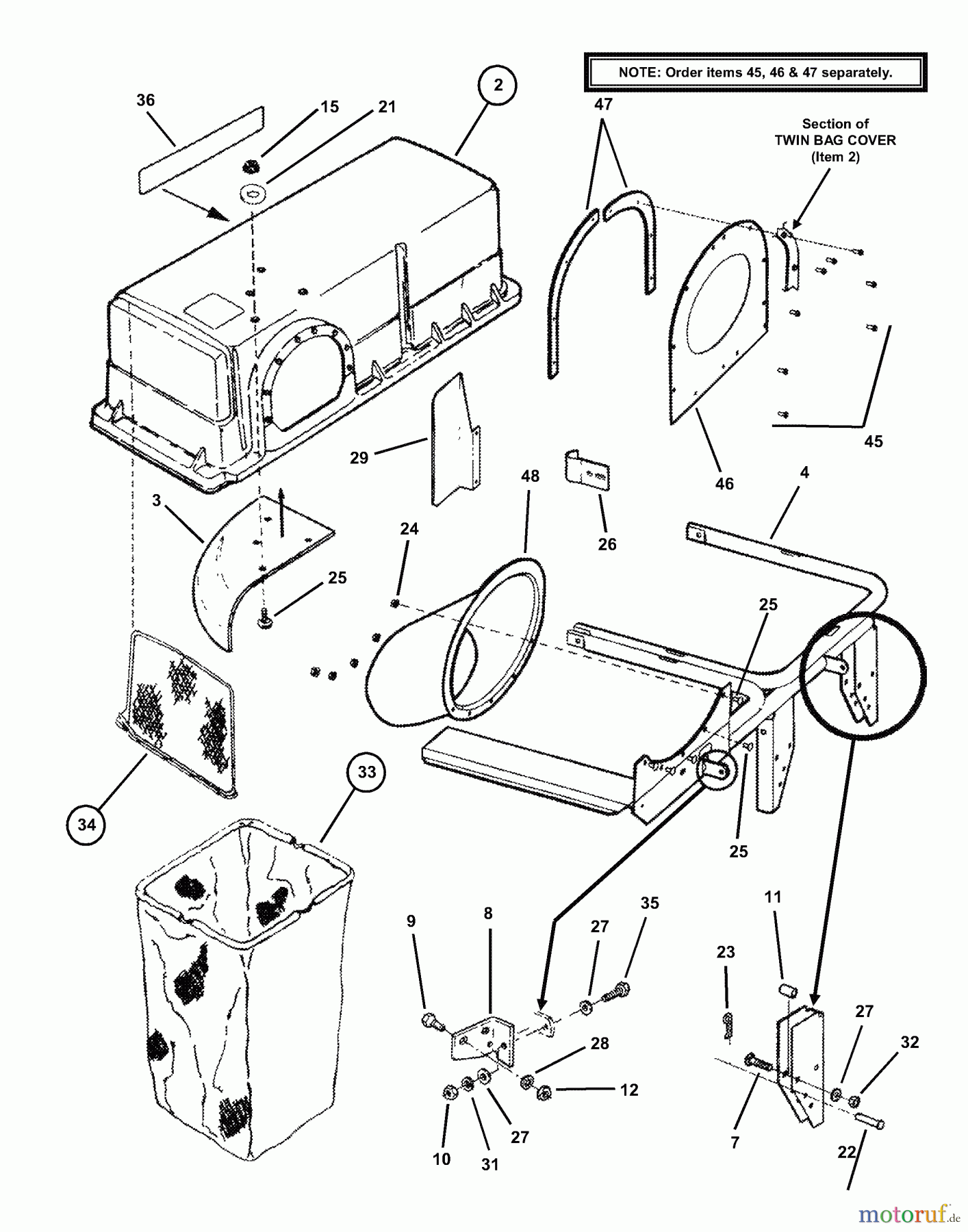
Snapper 7063318 - Twin Bag Catcher, Catcher Group Ersatzteile
Catcher Group 7063318 - Snapper Twin Bag Catcher,

Hier finden Sie die Ersatzteilzeichnung für Snapper Zubehör. Rasenmäher 7063318 - Snapper Twin Bag Catcher, Catcher Group. Wählen Sie das benötigte Ersatzteil aus der Ersatzteilliste Ihres Snapper Gerätes aus und bestellen Sie einfach online. Viele Snapper Ersatzteile halten wir ständig in unserem Lager für Sie bereit.


Qualitätsmanagement
Informieren Sie uns, wenn Sie einen Fehler gefunden haben.

